डिजिटल इलेक्ट्रॉनिक्स में एनकोडर (Encoder) एक ऐसा संयोजनात्मक (combinational) लॉजिक सर्किट है जो 2𝑛 इनपुट लाइनों को n-बिट बाइनरी आउटपुट में परिवर्तित करता है। इसका मूल उद्देश्य सक्रिय इनपुट को एक विशिष्ट बाइनरी कोड में अभिव्यक्त करना है, जिससे डेटा का संक्षिप्तीकरण (data encoding) संभव हो सके। साधारण (Binary) एनकोडर की कार्यप्रणाली सरल होती है, परंतु इसकी एक महत्वपूर्ण सीमा यह है कि यदि एक ही समय में एक से अधिक इनपुट ‘1’ हो जाएँ, तो आउटपुट अनिर्धारित (undefined) हो जाता है। इस स्थिति में सर्किट यह निर्धारित नहीं कर पाता कि किस इनपुट को प्राथमिकता दी जाए, परिणामस्वरूप आउटपुट में अस्पष्टता उत्पन्न होती है।
इसी व्यावहारिक समस्या के समाधान के रूप में priority encoder विकसित किया गया है। प्रायोरिटी एनकोडर प्रत्येक इनपुट को एक निर्धारित प्राथमिकता क्रम प्रदान करता है — उदाहरण के लिए D7 को सर्वोच्च तथा D0 को न्यूनतम प्राथमिकता। यदि एक साथ अनेक इनपुट ‘1’ हों, तो यह सर्किट केवल उच्चतम प्राथमिकता वाले सक्रिय इनपुट के अनुरूप ही बाइनरी आउटपुट प्रदान करता है। इस प्रकार priority encoder न केवल आउटपुट की अनिश्चितता को समाप्त करता है, बल्कि डिजिटल प्रणालियों में विश्वसनीय एवं नियंत्रित डेटा चयन सुनिश्चित करता है।
Table of Contents
प्रायोरिटी एनकोडर क्या है? (What Is Priority Encoder)
प्रायोरिटी एनकोडर (Priority Encoder) एक संयोजनात्मक (Combinational) डिजिटल लॉजिक सर्किट है, जो कई बाइनरी इनपुट लाइनों में से सक्रिय (1) होने वाली सबसे उच्च प्राथमिकता वाली इनपुट लाइन की पहचान करता है और उसे बाइनरी कोड के रूप में आउटपुट पर प्रस्तुत करता है। सामान्यतः इसमें 2𝑛 इनपुट और n आउटपुट लाइनें होती हैं।
साधारण बाइनरी एनकोडर में यदि एक समय पर एक से अधिक इनपुट ‘1’ हो जाएँ, तो आउटपुट अनिश्चित या गलत हो सकता है। इसी कमी को दूर करने के लिए प्रायोरिटी एनकोडर का उपयोग किया जाता है। यह प्रत्येक इनपुट को एक निश्चित प्राथमिकता स्तर प्रदान करता है — उदाहरण के लिए D7 को सबसे अधिक और D0 को सबसे कम प्राथमिकता। जब एक साथ कई इनपुट सक्रिय हों, तो सर्किट केवल उसी इनपुट को मान्य (consider) करता है जिसकी प्राथमिकता सबसे अधिक होती है, और बाकी सभी इनपुट को अनदेखा कर देता है।
इसका आउटपुट शून्य से शुरू होने वाले बाइनरी इंडेक्स के रूप में उस सक्रिय इनपुट को दर्शाता है जिसकी प्राथमिकता सर्वोच्च है। कई डिज़ाइनों में एक अतिरिक्त “वैध” (Valid) आउटपुट भी होता है, जो यह संकेत देता है कि कम-से-कम एक इनपुट सक्रिय है।
सरल शब्दों में, प्रायोरिटी एनकोडर एक उन्नत एनकोडर है जो एक साथ कई इनपुट सक्रिय होने की स्थिति में भी भ्रम पैदा नहीं होने देता, बल्कि सबसे महत्वपूर्ण सिग्नल को प्राथमिकता देकर सटीक और विश्वसनीय बाइनरी आउटपुट प्रदान करता है। यही कारण है कि डिजिटल प्रणालियों में जहाँ एक से अधिक सिग्नल एक साथ उत्पन्न हो सकते हैं, वहाँ प्रायोरिटी एनकोडर एक आवश्यक और प्रभावी समाधान माना जाता है।
और पढ़ें: Wheatstone Bridge in Hindi
प्रायोरिटी एनकोडर कैसे काम करता है? ( How Does Priority Encoder Works)
प्रायोरिटी एनकोडर का मूल सिद्धांत बहुत स्पष्ट है — यह कई इनपुट लाइनों में से केवल उस इनपुट को चुनता है जिसकी प्राथमिकता सबसे अधिक है, और उसी का बाइनरी कोड आउटपुट पर देता है।
सबसे पहले, सर्किट की प्रत्येक इनपुट लाइन को एक निश्चित प्राथमिकता (Priority Rank) दी जाती है। उदाहरण के लिए, 8-इनपुट प्रायोरिटी एनकोडर में सामान्यतः D7 को सबसे उच्च और D0 को सबसे निम्न प्राथमिकता दी जाती है।
अब कार्यप्रणाली को सरल चरणों में समझें:
इनपुट जाँच (Input Scanning): सर्किट उच्चतम प्राथमिकता वाली लाइन से जाँच शुरू करता है।
एकाधिक सक्रिय इनपुट की स्थिति: यदि एक ही समय में कई इनपुट ‘HIGH’ (1) हों, तो यह केवल उस इनपुट को मान्य करता है जिसकी प्राथमिकता सबसे अधिक है। बाकी सभी सक्रिय इनपुट को अनदेखा कर दिया जाता है।
बाइनरी आउटपुट जनरेशन: चयनित (highest priority) इनपुट के अनुसार उसका बाइनरी इंडेक्स आउटपुट लाइनों पर प्रदर्शित किया जाता है।
उदाहरण (8-इनपुट प्रायोरिटी एनकोडर)
मान लें D7 से D0 तक आठ इनपुट हैं और D7 सर्वोच्च प्राथमिकता पर है।
- यदि D7 = 1 है, तो चाहे अन्य इनपुट भी 1 हों, आउटपुट केवल D7 के अनुरूप ही होगा।
- यदि D7 = 0 लेकिन D6 = 1 है, तो आउटपुट D6 के अनुसार होगा।
इसी प्रकार सर्किट ऊपर से नीचे क्रम में सक्रिय इनपुट की पहचान करता है।
उदाहरण (4-इनपुट प्रायोरिटी एनकोडर)
मान लें 4 इनपुट D3, D2, D1, D0 हैं और D3 सर्वोच्च प्राथमिकता पर है। यदि D3 और D1 दोनों ‘1’ हैं, तो आउटपुट D3 के अनुरूप ‘11’ (बाइनरी) होगा, न कि D1 के अनुसार।
कई डिज़ाइनों में एक अतिरिक्त Valid (या Active) बिट भी होती है, जो यह दर्शाती है कि कम-से-कम एक इनपुट सक्रिय है।
प्रायोरिटी एनकोडर का कार्य सिद्धांत यह सुनिश्चित करता है कि जब कई सिग्नल एक साथ सक्रिय हों, तब भी आउटपुट हमेशा सबसे महत्वपूर्ण (Highest Priority) इनपुट के आधार पर ही उत्पन्न हो। इससे डेटा में भ्रम या त्रुटि की संभावना समाप्त हो जाती है और सर्किट का संचालन विश्वसनीय बनता है।
4-से-2 प्रायोरिटी एनकोडर (4-to-2 Priority Encoder)
4-से-2 प्रायोरिटी एनकोडर प्रायोरिटी एनकोडर का सबसे सरल, आधारभूत तथा व्यापक रूप से उपयोग किया जाने वाला उदाहरण है। यह डिजिटल इलेक्ट्रॉनिक्स में सिग्नल चयन (Signal Selection) और इंटरप्ट प्रबंधन (Interrupt Handling) जैसी प्रक्रियाओं में महत्वपूर्ण भूमिका निभाता है।

इसमें चार इनपुट लाइनें (D0, D1, D2, D3) तथा दो बाइनरी आउटपुट लाइनें (X और Y) होती हैं। प्रत्येक इनपुट को एक निश्चित प्राथमिकता (Priority Level) प्रदान की जाती है।
इन इनपुट्स को निम्न प्राथमिकता क्रम में व्यवस्थित किया जाता है:
D3 > D2 > D1 > D0
अर्थात D3 की प्राथमिकता सबसे अधिक तथा D0 की सबसे कम होती है।
यदि एक समय में एक से अधिक इनपुट सक्रिय (Logic 1) हों, तो प्रायोरिटी एनकोडर केवल सर्वाधिक प्राथमिकता वाले सक्रिय इनपुट को चुनता है और उसी के अनुरूप 2-बिट बाइनरी आउटपुट (X, Y) प्रदान करता है। इस प्रकार बहु-इनपुट स्थिति में उत्पन्न टकराव (Conflict) समाप्त हो जाता है।
दो मुख्य आउटपुट लाइनों के अतिरिक्त एक तीसरा आउटपुट ‘V’ (Valid Bit) भी होता है। यह एक वैधता संकेतक (Validity Indicator) के रूप में कार्य करता है।
- जब कम से कम एक इनपुट लाइन उच्च (Logic 1) या सक्रिय होती है, तब V = 1 हो जाता है।
- यदि एक से अधिक इनपुट लाइनें एक साथ उच्च हों, तब भी Valid बिट 1 ही रहता है, क्योंकि आउटपुट वैध है और उच्चतम प्राथमिकता वाले इनपुट के आधार पर निर्धारित किया गया है।
- यदि V = 0 हो, तो इसका अर्थ है कि सभी इनपुट लाइनें 0 (निष्क्रिय) हैं। इस स्थिति में आउटपुट लाइनें “Don’t Care” अवस्था में मानी जाती हैं, जिन्हें सामान्यतः X द्वारा दर्शाया जाता है, क्योंकि एन्कोड करने के लिए कोई वैध इनपुट उपलब्ध नहीं होता।
4-से-2 प्रायोरिटी एनकोडर सत्य तालिका (4 To 2 Priority Encoder Truth Table)
प्रायोरिटी एनकोडर की सत्य तालिका (Truth Table) उसके कार्य को व्यवस्थित और स्पष्ट रूप से प्रदर्शित करती है। यह तालिका विभिन्न इनपुट संयोजनों (Input Combinations) के अनुसार आउटपुट (X, Y) तथा वैध बिट (V) के मान को दर्शाती है।
| D3 | D2 | D1 | D0 | X | Y | V |
|---|---|---|---|---|---|---|
| 0 | 0 | 0 | 0 | X | X | 0 |
| 0 | 0 | 0 | 1 | 0 | 0 | 1 |
| 0 | 0 | 1 | X | 0 | 1 | 1 |
| 0 | 1 | X | X | 1 | 0 | 1 |
| 1 | X | X | X | 1 | 1 | 1 |
उपरोक्त सत्य सारणी से स्पष्ट होता है कि D3, D2, D1, D0 इनपुट लाइनें हैं; A और B आउटपुट लाइनें हैं तथा V वैध बिट (Valid Bit) संकेतक है। यहाँ D3 उच्चतम प्राथमिकता वाला इनपुट है, जबकि D0 निम्नतम प्राथमिकता वाला इनपुट है।
अब इसके कार्य को व्यवस्थित रूप में समझते हैं:
जब D3 = 1 (सक्रिय उच्च) हो; D3 की प्राथमिकता सबसे अधिक है। अतः अन्य सभी इनपुट लाइनों (D2, D1, D0) की स्थिति चाहे कुछ भी हो, आउटपुट XY = 11 होगा तथा V = 1 रहेगा।
जब D3 = 0 और D2 = 1 हो; इस स्थिति में D2 अगली उच्चतम प्राथमिकता रखता है। अन्य इनपुट लाइनों (D1, D0) की परवाह किए बिना आउटपुट XY = 10 होगा तथा V = 1 रहेगा।
जब D3 = 0, D2 = 0 और D1 = 1 हो: यहाँ D1 अगली उच्चतम प्राथमिकता वाला सक्रिय इनपुट है। शेष इनपुट लाइन (D0) की स्थिति की परवाह किए बिना आउटपुट XY = 01 होगा तथा V = 1 रहेगा।
तार्किक अभिव्यक्तियाँ (4 to 2 priority encoder Boolean Expressions)
4-से-2 प्रायोरिटी एनकोडर जिसके दो बाइनरी आउटपुट होते हैं: X (MSB – Most Significant Bit) तथा Y (LSB – Least Significant Bit)। आउटपुट X और Y का निर्धारण इनपुट्स की प्राथमिकता (Priority Order) के आधार पर किया जाता है। यदि एक से अधिक इनपुट सक्रिय हों, तो केवल सर्वाधिक प्राथमिकता वाले इनपुट के अनुसार बाइनरी आउटपुट उत्पन्न किया जाता है।
इस प्रकार लॉजिक फॉर्मूले इन आउटपुट्स के गणितीय निरूपण (Boolean Expression) को परिभाषित करते हैं और एनकोडर के व्यवहार को तार्किक रूप से स्पष्ट करते हैं।
1. X (MSB – Most Significant Bit):
X = D2 + D3
2. Y (LSB – Least Significant Bit):
Y= D1·D2′ + D3
3. Valid Output (V):
V = D0 + D1 + D2 + D3
4 to 2 priority encoder logic diagram
लॉजिक डिज़ाइन में OR, AND और NOT गेट्स का संयोजन इस प्रकार किया जाता है कि उच्च प्राथमिकता वाले इनपुट के सक्रिय (Logic 1) होने पर निम्न प्राथमिकता वाले इनपुट स्वतः ही अनदेखा (Ignore) हो जाएँ। AND और NOT गेट्स निम्न प्राथमिकता सिग्नलों को नियंत्रित करते हैं, जबकि OR गेट अंतिम आउटपुट निर्धारित करता है।

4-to-2 Priority Encoder – Verilog Code
नीचे 4-to-2 Priority Encoder का सरल और स्पष्ट Verilog कोड दिया गया है। यदि एक से अधिक इनपुट ‘1’ हों, तो केवल उच्चतम प्राथमिकता वाला इनपुट ही आउटपुट में एन्कोड किया जाता है। साथ ही एक Valid (V) सिग्नल भी शामिल है।
नोट: 4 इनपुट के लिए सामान्यतः 2-बिट आउटपुट होता है (4-to-2 Priority Encoder)

और पढ़ें: एडी करंट लॉस क्या है, परिभाषा, सूत्र, ट्रांसफॉर्मर में हानि
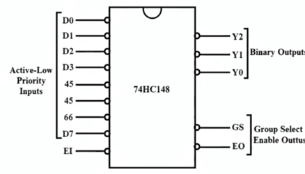
8-से-3 प्रायोरिटी एनकोडर (8 to 3 priority encoder)
8-से-3 प्रायोरिटी एनकोडर, जिसे ऑक्टल-टू-बाइनरी प्रायोरिटी एनकोडर भी कहा जाता है, एक ऐसा संयोजनात्मक डिजिटल सर्किट है जिसमें आठ इनपुट (D0 से D7) और तीन बाइनरी आउटपुट (A, B, C) होते हैं। यहाँ D7 को सबसे उच्च प्राथमिकता दी जाती है, उसके बाद D6, D5 और क्रमशः D0 तक।
इस एनकोडर का कार्य है — कई इनपुट लाइनों में से सक्रिय (HIGH) इनपुट की जाँच करना और यदि एक से अधिक इनपुट ‘1’ हों, तो केवल सबसे उच्च प्राथमिकता वाले इनपुट को चुनकर उसका 3-बिट बाइनरी कोड आउटपुट में देना। आउटपुट A, B और C मिलकर उस इनपुट की बाइनरी पोजीशन को दर्शाते हैं।
उदाहरण के लिए, यदि D3, D5 और D7 तीनों एक साथ HIGH हैं, तो आउटपुट D7 के अनुसार होगा, क्योंकि इसकी प्राथमिकता सबसे अधिक है। D7 की बाइनरी पोजीशन 7 होती है, जिसका बाइनरी रूप 111 है, इसलिए आउटपुट A=1, B=1, C=1 होगा।
इसी प्रकार, यदि D1, D2 और D3 HIGH हों और D4 से D7 LOW हों, तो आउटपुट D3 के अनुसार 011 होगा, क्योंकि D3 इन तीनों में उच्चतम प्राथमिकता रखता है।
सरल शब्दों में, 8-से-3 प्रायोरिटी एनकोडर यह सुनिश्चित करता है कि चाहे कितने भी इनपुट एक साथ सक्रिय हों, आउटपुट हमेशा उसी इनपुट का बाइनरी कोड होगा जिसकी प्राथमिकता सबसे अधिक है। इससे सर्किट में किसी भी प्रकार की अनिश्चितता समाप्त हो जाती है और सही बाइनरी पहचान प्राप्त होती है।
8-से-3 प्रायोरिटी एनकोडर सत्य तालिका (8 To 3 Priority Encoder Truth Table)
| D7 | D6 | D5 | D4 | D3 | D2 | D1 | D0 | A | B | C |
|---|---|---|---|---|---|---|---|---|---|---|
| 1 | X | X | X | X | X | X | X | 1 | 1 | 1 |
| 0 | 1 | X | X | X | X | X | X | 1 | 1 | 0 |
| 0 | 0 | 1 | X | X | X | X | X | 1 | 0 | 1 |
| 0 | 0 | 0 | 1 | X | X | X | X | 1 | 0 | 0 |
| 0 | 0 | 0 | 0 | 1 | X | X | X | 0 | 1 | 1 |
| 0 | 0 | 0 | 0 | 0 | 1 | X | X | 0 | 1 | 0 |
| 0 | 0 | 0 | 0 | 0 | 0 | 1 | X | 0 | 0 | 1 |
| 0 | 0 | 0 | 0 | 0 | 0 | 0 | 1 | 0 | 0 | 0 |
- यहाँ X का अर्थ है “Don’t Care” — यानी उस इनपुट का मान 0 या 1 कुछ भी हो सकता है, क्योंकि उच्च प्राथमिकता वाला इनपुट पहले ही आउटपुट तय कर चुका है।
- आउटपुट A, B, C मिलकर उच्चतम सक्रिय इनपुट का बाइनरी इंडेक्स देते हैं।
- यदि सभी इनपुट 0 हों, तो V = 0 होगा और आउटपुट अमान्य माना जाएगा।
तार्किक अभिव्यक्तियाँ (8 to 3 priority encoder Boolean Expressions)
8-से-3 प्रायोरिटी एनकोडर में आठ इनपुट D0 से D7 होते हैं, जहाँ D7 की प्राथमिकता सबसे अधिक और D0 की सबसे कम होती है। तीन आउटपुट A (MSB), B और C (LSB) उच्चतम सक्रिय इनपुट का बाइनरी कोड दर्शाते हैं। एक अतिरिक्त Valid (V) सिग्नल यह बताता है कि कम-से-कम एक इनपुट ‘1’ है।
नीचे दी गई बूलियन अभिव्यक्तियाँ इस प्रकार के प्रायोरिटी एनकोडर के लिए प्रयुक्त होती हैं:
1. MSB (A)
A = D4 + D5 + D6 + D7
2. Middle Bit (B)
B = D6 + D7 + (D2 · D4′ · D5′) + (D3 · D4′ · D5′)
3. LSB (C)
C = D7 + (D5 · D6′) + (D3 · D4′ · D5′ · D6′) + (D1 · D2′ · D3′ · D4′ · D5′ · D6′ · D7′)
8 to 3 priority encoder logic diagram
4-से-2 प्रायोरिटी एनकोडर की तरह ही, 8-से-3 प्रायोरिटी एनकोडर को भी बेसिक लॉजिक गेट्स — जैसे AND, OR और NOT — का उपयोग करके कार्यान्वित किया जा सकता है। इसके डिज़ाइन में प्रत्येक इनपुट को एक निश्चित प्राथमिकता स्तर दिया जाता है, जहाँ उच्च संख्या वाला इनपुट (जैसे D7) निम्न संख्या वाले इनपुट (जैसे D0) पर प्राथमिकता रखता है।
जब एक से अधिक इनपुट एक साथ सक्रिय होते हैं, तो सर्किट की आंतरिक लॉजिक इस प्रकार व्यवस्थित की जाती है कि उच्च क्रम (higher order) वाला इनपुट, निम्न क्रम वाले इनपुट को ओवरराइड कर देता है।

8 to 3 priority encoder – Verilog Code
नीचे 8-to-3 Priority Encoder का साफ़ और समझने योग्य Verilog कोड दिया गया है। यदि एक से अधिक इनपुट ‘1’ हों, तो केवल उच्चतम प्राथमिकता वाला इनपुट ही आउटपुट में एन्कोड किया जाता है। साथ ही एक Valid (V) सिग्नल भी दिया गया है, जो बताता है कि कोई इनपुट सक्रिय है या नहीं।

और पढ़ें: कूलॉम का नियम क्या है?
एनकोडर vs प्रायोरिटी एनकोडर — मुख्य अंतर (Difference Between Encoder and Priority Encoder)
डिजिटल इलेक्ट्रॉनिक्स में साधारण एनकोडर और प्रायोरिटी एनकोडर दोनों ही इनपुट सिग्नल को बाइनरी कोड में परिवर्तित करते हैं, लेकिन उनकी कार्यप्रणाली और व्यवहार में महत्वपूर्ण अंतर होता है। जहाँ साधारण एनकोडर केवल एक सक्रिय इनपुट की स्थिति को मानकर कार्य करता है, वहीं प्रायोरिटी एनकोडर एक साथ कई सक्रिय इनपुट होने पर भी सबसे उच्च प्राथमिकता वाले इनपुट को पहचानकर सही आउटपुट प्रदान करता है। नीचे दी गई तालिका में इनके मुख्य अंतर स्पष्ट रूप से दर्शाए गए हैं।
| विषय | साधारण एनकोडर | प्रायोरिटी एनकोडर |
|---|---|---|
| मूल परिभाषा | सक्रिय इनपुट को बाइनरी कोड में बदलता है | उच्चतम प्राथमिकता वाले सक्रिय इनपुट को एन्कोड करता है |
| इनपुट प्राथमिकता | नहीं | हाँ |
| कई सक्रिय इनपुट | आउटपुट अनिर्धारित हो सकता है | हमेशा निर्धारित और स्पष्ट आउटपुट |
| व्यवहार | केवल एक सक्रिय इनपुट मानता है | सभी सक्रिय इनपुट में से सर्वोच्च प्राथमिकता चुनता है |
| विश्वसनीयता | मल्टीपल इनपुट पर भ्रम संभव | मल्टीपल इनपुट पर भी विश्वसनीय |
| उपयोग | सरल डेटा प्रतिनिधित्व | इंटरप्ट नियंत्रण, उच्च-स्तरीय निर्णय प्रणाली |
और पढ़ें: Fan Capacitor क्या है? – प्रकार, कार्य और पंखे में उपयोग
प्रायोरिटी एनकोडर के लाभ और सीमाएँ (Priority Encoder Advantages & Limitations)
प्रायोरिटी एनकोडर डिजिटल सिस्टम में एक महत्वपूर्ण भूमिका निभाता है, खासकर तब जब कई सिग्नल एक साथ सक्रिय हो सकते हों। यह सर्किट निर्णय लेने की प्रक्रिया को व्यवस्थित और विश्वसनीय बनाता है। हालांकि इसके कुछ व्यावहारिक लाभ हैं, वहीं कुछ सीमाएँ भी हैं जिन्हें डिजाइन करते समय ध्यान में रखना आवश्यक है।
प्रायोरिटी एनकोडर के लाभ (Advantages)
उच्चतम प्राथमिकता का चयन: जब एक साथ कई इनपुट सक्रिय हों, तो यह सर्किट स्वतः ही सबसे उच्च प्राथमिकता वाले सिग्नल को चुनता है, जिससे आउटपुट हमेशा स्पष्ट और निर्धारित रहता है।
तेज़ और व्यवस्थित निर्णय: प्राथमिकता आधारित लॉजिक के कारण निर्णय प्रक्रिया तेज़ और सटीक होती है। जटिल परिस्थितियों में भी यह सर्किट भ्रम की स्थिति उत्पन्न नहीं होने देता।
इंटरप्ट और संसाधन प्रबंधन में उपयोगी: जहाँ कई डिवाइस या सिग्नल एक साथ अनुरोध भेजते हैं, वहाँ प्रायोरिटी एनकोडर सबसे महत्वपूर्ण सिग्नल को पहले संसाधित करने में सहायता करता है।
प्रायोरिटी एनकोडर की सीमाएँ (Limitations)
लॉजिक जटिलता में वृद्धि: जैसे-जैसे इनपुट की संख्या बढ़ती है, सर्किट की आंतरिक लॉजिक अधिक जटिल होती जाती है। इससे डिजाइन और कार्यान्वयन कठिन हो सकता है।
अधिक गेट काउंट और विलंब (Delay): बड़े क्रम (जैसे 16-से-4 या 32-से-5) के प्रायोरिटी एनकोडर में गेट्स की संख्या बढ़ जाती है, जिससे प्रोपेगेशन डिले भी बढ़ सकता है। उच्च गति वाले सिस्टम में यह एक महत्वपूर्ण विचार होता है।
संक्षेप में, प्रायोरिटी एनकोडर एक प्रभावी और विश्वसनीय समाधान है, लेकिन बड़े पैमाने पर उपयोग करते समय इसकी जटिलता और समय विलंब को ध्यान में रखना आवश्यक है।
और पढ़ें: किर्चहॉफ़ के नियम (KCL और KVL) – पूरी जानकारी
प्रायोरिटी एनकोडर के उपयोग (Applications of Priority Encoder)
प्रायोरिटी एनकोडर का उपयोग उन डिजिटल प्रणालियों में किया जाता है जहाँ कई इनपुट एक साथ सक्रिय हो सकते हैं और उनमें से सबसे महत्वपूर्ण इनपुट का चयन करना आवश्यक होता है। यह सर्किट निर्णय प्रक्रिया को व्यवस्थित, तेज़ और विश्वसनीय बनाता है।
1. माइक्रोप्रोसेसर इंटरप्ट हैंडलिंग: जब कई डिवाइस एक साथ इंटरप्ट सिग्नल भेजते हैं, तो प्रायोरिटी एनकोडर उच्चतम प्राथमिकता वाले इंटरप्ट की पहचान करता है और CPU को उसी को पहले प्रोसेस करने में मदद करता है। इससे सिस्टम का संचालन व्यवस्थित रहता है।
2. डेटा प्रतिनिधित्व और कनेक्शन कम करना: कई इनपुट लाइनों को कम आउटपुट लाइनों में एन्कोड करके यह वायरिंग और कनेक्शनों की संख्या घटाता है। इससे सर्किट डिज़ाइन सरल और किफायती बनता है।
3. कीबोर्ड और कीपैड इंटरफेस: कीबोर्ड में एक समय में दबाई गई कुंजी की पहचान कर उसका बाइनरी कोड उत्पन्न करने के लिए प्रायोरिटी एनकोडर का उपयोग किया जाता है। यदि गलती से एक से अधिक कुंजियाँ दब जाएँ, तो यह उच्च प्राथमिकता वाली कुंजी को पहचान सकता है।
4. फ्लैश एनालॉग-टू-डिजिटल कन्वर्टर (ADC): फ्लैश ADC में कई कम्पेरेटर आउटपुट में से उच्चतम सक्रिय स्तर को एन्कोड करने के लिए प्रायोरिटी एनकोडर का उपयोग किया जाता है, जिससे तेज़ और सटीक डिजिटल आउटपुट प्राप्त होता है।
5. रोबोटिक और औद्योगिक नियंत्रण प्रणाली: रोबोट, सेंसर आधारित सिस्टम और मोटर नियंत्रण में कई इनपुट सिग्नलों में से प्राथमिक सिग्नल का चयन करने के लिए इसका उपयोग किया जाता है। इससे नियंत्रण अधिक सटीक और प्रभावी बनता है।
6. सुरक्षित और स्वचालित संचार प्रणाली: प्राथमिक सिग्नल चयन और एन्कोडिंग के माध्यम से नियंत्रित डेटा ट्रांसमिशन में सहायता मिलती है, जिससे सिस्टम अधिक विश्वसनीय और सुरक्षित बनता है।
और पढ़ें: अर्धचालक किसे कहते हैं?
अक्सर पूछे जाने वाले सवाल (FAQ)
1. प्रायोरिटी एनकोडर क्या होता है?
प्रायोरिटी एनकोडर एक संयोजनात्मक (Combinational) लॉजिक सर्किट है जो कई इनपुट में से सक्रिय इनपुट की जाँच करता है और यदि एक से अधिक इनपुट ‘1’ हों, तो सबसे उच्च प्राथमिकता वाले इनपुट का चयन करके उसका बाइनरी कोड आउटपुट में देता है। यह साधारण एनकोडर की तुलना में अधिक विश्वसनीय होता है, क्योंकि यह मल्टीपल सक्रिय इनपुट की स्थिति में भी स्पष्ट और निर्धारित आउटपुट प्रदान करता है।
2. प्रायोरिटी एनकोडर में ‘V’ या Valid आउटपुट क्या होता है?
प्रायोरिटी एनकोडर में ‘V’ (Valid Bit) एक अतिरिक्त आउटपुट सिग्नल होता है, जो यह दर्शाता है कि इनपुट लाइनों में से कम-से-कम एक इनपुट सक्रिय (HIGH) है या नहीं। यदि किसी भी इनपुट का मान 1 है, तो V = 1 होता है, जिससे संकेत मिलता है कि आउटपुट कोड वैध है। लेकिन यदि सभी इनपुट 0 हों, तो V = 0 हो जाता है, जिसका अर्थ है कि कोई मान्य इनपुट उपलब्ध नहीं है और आउटपुट को अमान्य माना जाएगा। यह सिग्नल सर्किट की विश्वसनीयता बढ़ाने में महत्वपूर्ण भूमिका निभाता है।
3. प्रायोरिटी एनकोडर और मल्टीप्लेक्सर में क्या अंतर है?
मल्टीप्लेक्सर (Multiplexer) और प्रायोरिटी एनकोडर दोनों डिजिटल सर्किट हैं, लेकिन उनका उद्देश्य अलग होता है। मल्टीप्लेक्सर कई इनपुट डेटा लाइनों में से एक इनपुट को चयन लाइनों (Select Lines) की सहायता से चुनकर सीधे आउटपुट पर भेजता है। इसके विपरीत, प्रायोरिटी एनकोडर कई इनपुट में से सक्रिय इनपुट की जाँच करता है और यदि एक से अधिक इनपुट सक्रिय हों, तो सबसे उच्च प्राथमिकता वाले इनपुट का चयन करके उसका बाइनरी कोड आउटपुट में प्रदान करता है। सरल शब्दों में, मल्टीप्लेक्सर डेटा को चयनित रूप में पास करता है, जबकि प्रायोरिटी एनकोडर सक्रिय इनपुट की पहचान करके उसे एन्कोड करता है।
4. डिजिटल इलेक्ट्रॉनिक्स में प्रायोरिटी एनकोडर क्या होता है?
प्रायोरिटी एनकोडर एक संयोजनात्मक (Combinational) लॉजिक सर्किट है, जो कई इनपुट सिग्नलों को बाइनरी कोड में परिवर्तित करता है और यदि एक से अधिक इनपुट एक साथ सक्रिय हों, तो सबसे उच्च प्राथमिकता वाले इनपुट को चुनकर उसका बाइनरी इंडेक्स आउटपुट में प्रदान करता है। साधारण एनकोडर के विपरीत, यह मल्टीपल सक्रिय इनपुट की स्थिति में भी स्पष्ट और निर्धारित आउटपुट देता है। प्रत्येक इनपुट को एक निश्चित प्राथमिकता क्रम दिया जाता है, जिससे सर्किट हमेशा सबसे महत्वपूर्ण सिग्नल के आधार पर निर्णय ले सके।
5. क्या प्रायोरिटी एनकोडर कैस्केड किया जा सकता है?
हाँ, प्रायोरिटी एनकोडर को कैस्केड (Cascading) किया जा सकता है। बड़े डिजिटल सिस्टम में जब इनपुट लाइनों की संख्या बहुत अधिक हो जाती है, तो एक ही प्रायोरिटी एनकोडर पर्याप्त नहीं होता। ऐसी स्थिति में कई प्रायोरिटी एनकोडरों को क्रमबद्ध तरीके से जोड़ा जाता है, जहाँ प्रत्येक एनकोडर इनपुट के एक समूह को संभालता है और उनके आउटपुट को उच्च-स्तरीय प्रायोरिटी एनकोडर के साथ संयोजित किया जाता है।
धन्यवाद! हमें उम्मीद है कि यह पोस्ट ”Priority Encoder” आपके लिए जानकारीपूर्ण और मददगार रही होगी। अगर आपके कोई विचार, अनुभव या सवाल हैं, तो उन्हें नीचे कमेंट में शेयर करना न भूलें.