Phase Failure Relay क्या है? यह कैसे काम करता है? इसके क्या फायदे हैं?

आज के समय में लगभग सभी इंडस्ट्रियल मशीनें, जैसे मोटर, पंप, कंप्रेसर और HVAC सिस्टम, तीन-फेज विद्युत आपूर्ति पर कार्य करती हैं। इन प्रणालियों की विश्वसनीयता और कार्यक्षमता सीधे तौर पर फेज सप्लाई की गुणवत्ता पर निर्भर करती है। यदि किसी कारणवश तीन-फेज सप्लाई में कोई एक फेज फेल हो जाए, फेजों का क्रम उल्टा (Phase Reversal) हो जाए, या वोल्टेज में असंतुलन (Voltage Unbalance) उत्पन्न हो जाए, तो इसका सीधा और गंभीर प्रभाव मोटर तथा अन्य महंगे इलेक्ट्रिकल उपकरणों पर पड़ता है। ऐसी स्थिति में मोटर का ओवरहीट होना, इंसुलेशन फेल होना और अंततः मोटर का जल जाना आम समस्या बन जाती है, जिससे उत्पादन रुकता है और आर्थिक नुकसान होता है।

इन्हीं संभावित जोखिमों से औद्योगिक उपकरणों की सुरक्षा सुनिश्चित करने के लिए Phase Failure Relay (PFR) का उपयोग किया जाता है। यह एक महत्वपूर्ण सुरक्षा उपकरण है, जो तीन-फेज सप्लाई की निरंतर निगरानी करता है और किसी भी असामान्यता की स्थिति में सिस्टम को समय रहते सुरक्षित रूप से ट्रिप कर देता है।

इस लेख में हम विस्तार से चर्चा करेंगे कि Phase Failure Relay क्या है, यह कैसे कार्य करता है, किन-किन परिस्थितियों में यह मोटर और मशीनरी की सुरक्षा करता है, इसके विभिन्न प्रकार कौन-से हैं, तथा इंडस्ट्रियल पैनल और मोटर प्रोटेक्शन में इसका सही चयन और उपयोग क्यों अत्यंत आवश्यक है। यह लेख उन सभी इंजीनियरों, तकनीशियनों और इंडस्ट्रियल प्रोफेशनल्स के लिए उपयोगी होगा जो अपने सिस्टम को सुरक्षित, विश्वसनीय और दीर्घकालिक बनाना चाहते हैं।

Phase Failure Relay क्या है?

Phase Failure Relay (PFR) एक महत्वपूर्ण electrical protection device है, जिसका उपयोग तीन-फेज (Three-Phase) विद्युत सप्लाई पर चलने वाली मोटर, पंप, कंप्रेसर और अन्य औद्योगिक उपकरणों की सुरक्षा के लिए किया जाता है। यह रिले लगातार तीनों फेज की निगरानी करता है और यह सुनिश्चित करता है कि विद्युत सप्लाई सुरक्षित और संतुलित स्थिति में है।

Phase Failure Relay क्या है?
Phase Failure Relay क्या है?

सरल शब्दों में कहें तो, Phase Failure Relay यह जांचता है कि:

  • तीनों फेज सही तरीके से उपलब्ध हैं या नहीं
  • कोई भी फेज गायब (Phase Loss) तो नहीं है
  • फेज का क्रम सही है या उल्टा (Phase Reversal) तो नहीं
  • तीनों फेज का वोल्टेज संतुलित है या नहीं
  • अंडर-वोल्टेज या ओवर-वोल्टेज की स्थिति तो नहीं है

जैसे ही इनमें से किसी भी प्रकार की गड़बड़ी होती है, Phase Failure Relay तुरंत कंट्रोल सर्किट को ट्रिप कर देता है और मोटर या लोड को पावर सप्लाई से डिस्कनेक्ट कर देता है। इससे मोटर का ओवरहीट होना, इंसुलेशन खराब होना और मोटर का जलना जैसी गंभीर समस्याओं से बचाव होता है।

और पढ़ें: MCB (Miniature Circuit Breaker) के बारे में पूरी जानकारी

Phase Failure Relay क्यों जरूरी है?

तीन-फेज़ सिस्टम में मोटर और मशीनें तभी सुरक्षित रूप से काम करती हैं जब तीनों फेज़ सही, संतुलित और सही क्रम में हों। जैसे ही इनमें से कोई भी स्थिति बिगड़ती है, उपकरण को गंभीर नुकसान हो सकता है। Phase Failure Relay (PFR) इसी जोखिम से बचाने के लिए आवश्यक होता है।

इसे जरूरी बनाने वाले मुख्य कारण

1. मोटर को जलने से बचाने के लिए

यदि किसी कारण एक फेज़ चला जाता है (Single Phasing), तो मोटर बाकी दो फेज़ पर ज़्यादा करंट खींचने लगती है। इससे मोटर तेजी से गर्म होती है और कुछ ही समय में जल सकती है। Phase Failure Relay तुरंत सप्लाई काट देता है और मोटर को सुरक्षित रखता है।

2. वोल्टेज की गड़बड़ी से सुरक्षा

कम वोल्टेज या ज़्यादा वोल्टेज दोनों ही मोटर और इलेक्ट्रिकल उपकरणों के लिए खतरनाक होते हैं। PFR ऐसी स्थिति को पहचान कर सिस्टम को ट्रिप कर देता है, जिससे लंबे समय का नुकसान नहीं होता।

3. गलत फेज़ क्रम से बचाव

कुछ उपकरण जैसे पंप, लिफ्ट और कंप्रेसर में अगर फेज़ का क्रम उल्टा हो जाए, तो मोटर गलत दिशा में चल सकती है। इससे मैकेनिकल नुकसान हो सकता है। Phase Failure Relay गलत फेज़ सीक्वेंस को पहचान कर मोटर को स्टार्ट होने से रोक देता है।

4. उपकरणों की उम्र बढ़ाने के लिए

लगातार सही वोल्टेज और संतुलित फेज़ मिलने से मोटर और मशीनरी पर कम तनाव पड़ता है, जिससे उनकी कार्य-आयु (Life) बढ़ती है और मेंटेनेंस का खर्च कम होता है।

5. सुरक्षित और भरोसेमंद संचालन के लिए

यह रिले बिजली सप्लाई में किसी भी असामान्य स्थिति को तुरंत पकड़ लेता है और सिस्टम को सुरक्षित रूप से बंद कर देता है। इससे अचानक खराबी, प्रोडक्शन लॉस और महंगे रिपेयर से बचाव होता है।

और पढ़ें: MPCB (Motor Protection Circuit Breaker) क्या है?

Phase Failure Relay कैसे काम करता है?

Phase Failure Relay तीनों फेज़ के RMS वोल्टेज और फेज़ एंगल को लगातार मापता है और उन्हें तय रेफरेंस लिमिट से तुलना करता है। किसी भी फेज़ का वोल्टेज गायब होने, सीमा से बाहर जाने, या 120° फेज़ डिस्प्लेसमेंट बदलने पर कम्पेरेटर सर्किट ट्रिगर हो जाता है। इसके परिणामस्वरूप रिले आउटपुट डी-एनर्जाइज़ होकर सप्लाई काट देता है, जिससे अनियंत्रित करंट और थर्मल नुकसान रोका जाता है।

Phase Failure Relay कैसे काम करता है?
Phase Failure Relay कैसे काम करता है

1. तीन-फेज़ इनपुट और निगरानी (Three-Phase Input & Monitoring)

Phase Failure Relay को R, Y और B तीनों फेज़ से वोल्टेज इनपुट मिलता है। यह रिले लगातार इन तीनों फेज़ की निगरानी करता रहता है ताकि यह सुनिश्चित किया जा सके कि तीन-फेज़ सप्लाई मोटर या मशीन के लिए सुरक्षित स्थिति में है। यह निगरानी रियल-टाइम में होती है, यानी सप्लाई में जरा-सी भी गड़बड़ी तुरंत पकड़ी जा सकती है।

2. वोल्टेज मापन और तुलना (Voltage Measurement & Comparison)

रिले के अंदर मौजूद इलेक्ट्रॉनिक सर्किट प्रत्येक फेज़ के वोल्टेज को मापता है। इन मापे गए मानों की तुलना पहले से तय सुरक्षित सीमा से की जाती है। यदि वोल्टेज बहुत कम या बहुत अधिक हो जाता है, तो यह स्थिति मोटर के लिए खतरनाक मानी जाती है और रिले इसे असामान्यता के रूप में पहचान लेता है।

3. फेज़ बैलेंस की जाँच (Phase Balance Checking)

Phase Failure Relay तीनों फेज़ के वोल्टेज को आपस में तुलना करके यह देखता है कि वे संतुलित हैं या नहीं। वैज्ञानिक रूप से, जब तीनों फेज़ लगभग बराबर होते हैं, तभी मोटर स्मूथ और सुरक्षित रूप से चलती है। यदि किसी एक फेज़ का वोल्टेज बाकी दो से ज्यादा अलग हो जाए, तो रिले इसे फेज़ असंतुलन मानता है।

4. फेज़ सीक्वेंस की पहचान (Phase Sequence Detection)

रिले यह भी जाँचता है कि फेज़ का क्रम सही है या नहीं। यह समय और वोल्टेज वेवफॉर्म के अंतर के आधार पर पता लगाया जाता है। गलत फेज़ क्रम की स्थिति में मोटर उल्टी दिशा में घूम सकती है, इसलिए रिले इसे एक गंभीर फॉल्ट मानकर तुरंत प्रतिक्रिया देता है।

5. सामान्य स्थिति में संचालन (Normal Operating Condition)

जब तीनों फेज़ मौजूद हों, वोल्टेज सही सीमा में हो, फेज़ संतुलित हों और क्रम सही हो, तब Phase Failure Relay का आउटपुट कॉन्टैक्ट ON रहता है। इस स्थिति में कॉन्टैक्टर एनर्जाइज़ रहता है और मोटर या उपकरण बिना किसी रुकावट के सामान्य रूप से काम करता रहता है।

6. खराबी आने पर ट्रिपिंग (Fault Detection & Tripping)

जैसे ही फेज़ लॉस, वोल्टेज गड़बड़ी, फेज़ असंतुलन या फेज़ रिवर्सल जैसी कोई भी समस्या आती है, रिले तुरंत इसे पहचान लेता है। इसके बाद रिले का आउटपुट कॉन्टैक्ट बदल जाता है और कॉन्टैक्टर OFF हो जाता है, जिससे मोटर की सप्लाई कट जाती है और वह सुरक्षित रूप से बंद हो जाती है।

7. सुरक्षा का वैज्ञानिक परिणाम (Scientific Protection Outcome)

सप्लाई कटते ही मोटर में असामान्य करंट फ्लो रुक जाता है, जिससे अधिक ताप (Overheating) और I²R लॉस कम हो जाता है। इससे मोटर की वाइंडिंग और इंसुलेशन सुरक्षित रहते हैं और मोटर के जलने की संभावना समाप्त हो जाती है।

Phase Failure Relay किन-किन Faults से सुरक्षा देता है?

Phase Failure Relay तीन-फेज़ विद्युत सप्लाई में आने वाली उन सभी खराब स्थितियों से सुरक्षा देता है, जो मोटर और औद्योगिक मशीनरी के लिए नुकसानदायक होती हैं। यह रिले विद्युत के मापन, तुलना और त्वरित प्रतिक्रिया के वैज्ञानिक सिद्धांत पर काम करता है। नीचे प्रमुख फॉल्ट्स को सरल भाषा में समझाया गया है।

1. Phase Failure / Phase Loss (फेज़ लॉस)

जब तीन में से कोई एक फेज़ अचानक गायब हो जाता है, तो मोटर सिंगल-फेज़िंग की स्थिति में आ जाती है। इस अवस्था में मोटर अधिक करंट खींचने लगती है, जिससे उसमें तेज़ गर्मी पैदा होती है। Phase Failure Relay इस असंतुलन को तुरंत पहचान कर सप्लाई काट देता है, जिससे मोटर के जलने से बचाव होता है।

2. Phase Sequence Fault (फेज़ सीक्वेंस फॉल्ट)

तीन-फेज़ सिस्टम में R-Y-B का क्रम सही होना बहुत ज़रूरी होता है। यदि यह क्रम बदल जाए, तो मोटर उल्टी दिशा में घूम सकती है। वैज्ञानिक रूप से यह रोटेटिंग मैग्नेटिक फील्ड की दिशा बदलने के कारण होता है। Phase Failure Relay गलत फेज़ क्रम को पहचान कर मोटर को स्टार्ट होने से रोक देता है।

3. Under Voltage Protection (अंडर वोल्टेज)

जब सप्लाई वोल्टेज तय सीमा से कम हो जाता है, तो मोटर समान आउटपुट पाने के लिए अधिक करंट लेती है। इससे I²R लॉस बढ़ जाता है और मोटर ओवरहीट हो सकती है। Phase Failure Relay कम वोल्टेज की स्थिति को पहचान कर मोटर को सुरक्षित रूप से बंद कर देता है।

4. Over Voltage Protection (ओवर वोल्टेज)

यदि वोल्टेज आवश्यकता से अधिक बढ़ जाए, तो मोटर की वाइंडिंग और इंसुलेशन पर अत्यधिक विद्युत तनाव पड़ता है। इससे इंसुलेशन फेल होने का खतरा रहता है। Phase Failure Relay ओवर वोल्टेज को डिटेक्ट कर सप्लाई को ट्रिप कर देता है, जिससे उपकरण सुरक्षित रहता है।

5. Phase Imbalance (फेज़ असंतुलन)

जब तीनों फेज़ का वोल्टेज बराबर नहीं रहता, तो मोटर के अंदर करंट का वितरण असमान हो जाता है। इससे कुछ वाइंडिंग ज़्यादा गर्म होती हैं और मोटर की उम्र कम हो जाती है। Phase Failure Relay फेज़ों के वोल्टेज की तुलना करके इस असंतुलन को पहचान लेता है और समय रहते मोटर को बंद कर देता है।

Phase Failure Relay मोटर को फेज़ लॉस, गलत फेज़ क्रम, वोल्टेज की गड़बड़ी और फेज़ असंतुलन जैसे खतरनाक फॉल्ट्स से बचाकर ओवरहीटिंग, वाइंडिंग फेलियर और महंगे नुकसान को रोकता है। यही कारण है कि यह तीन-फेज़ सिस्टम की सुरक्षा और विश्वसनीय संचालन के लिए अत्यंत आवश्यक उपकरण माना जाता है।

Phase Failure Relay के प्रकार (Types of Phase Failure Relay)

Phase Failure Relay को उनके कार्य, सटीकता और तकनीक के आधार पर अलग-अलग प्रकारों में बाँटा जाता है। सभी प्रकार का उद्देश्य एक ही होता है—तीन-फेज़ सिस्टम में आने वाली असामान्य विद्युत स्थितियों से मोटर और उपकरणों की सुरक्षा। नीचे प्रमुख प्रकारों को आसान और वैज्ञानिक दृष्टि से समझाया गया है।

1. Single Function Phase Failure Relay

यह सबसे बेसिक प्रकार का Phase Failure Relay होता है। इसका कार्य केवल यह जाँचना होता है कि तीनों फेज़ मौजूद हैं या नहीं। जैसे ही किसी एक फेज़ का वोल्टेज शून्य हो जाता है, रिले तुरंत ट्रिप कर देता है। वैज्ञानिक रूप से यह वोल्टेज की अनुपस्थिति (Zero Potential) को पहचानकर काम करता है। छोटे और साधारण मोटर अनुप्रयोगों में इसका उपयोग किया जाता है।

2. Multifunction Phase Monitoring Relay

यह एक एडवांस प्रकार का रिले होता है, जो एक साथ कई विद्युत पैरामीटर की निगरानी करता है। यह Phase Failure, Phase Sequence, Under Voltage, Over Voltage और Phase Imbalance सभी को डिटेक्ट कर सकता है। इसके अंदर मौजूद इलेक्ट्रॉनिक कम्पेरेटर सर्किट मापे गए वोल्टेज को तय सीमा से तुलना करता है। जैसे ही कोई मान सीमा से बाहर जाता है, रिले सुरक्षा क्रिया शुरू कर देता है। औद्योगिक मोटर और मशीनरी में यह सबसे अधिक उपयोग किया जाने वाला रिले है।

3. Digital Phase Failure Relay

यह आधुनिक और उच्च सटीकता वाला Phase Failure Relay होता है। इसमें माइक्रोप्रोसेसर आधारित सर्किट होता है, जो वोल्टेज और फेज़ की स्थिति का डिजिटल विश्लेषण करता है। LED इंडिकेटर या डिजिटल डिस्प्ले के माध्यम से फॉल्ट की जानकारी साफ़ दिखाई देती है। इसकी प्रतिक्रिया तेज़ होती है और मापन अधिक सटीक होता है, इसलिए इसे भारी औद्योगिक और ऑटोमेशन सिस्टम में प्राथमिकता दी जाती है।

Phase Failure Relay के अलग-अलग प्रकार विभिन्न स्तर की सुरक्षा प्रदान करते हैं। जहाँ साधारण सिस्टम के लिए Single Function रिले पर्याप्त होता है, वहीं औद्योगिक और संवेदनशील अनुप्रयोगों के लिए Multifunction और Digital Phase Failure Relay अधिक सुरक्षित, सटीक और विश्वसनीय विकल्प साबित होते हैं।

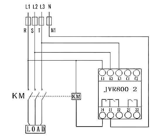
Phase Failure Relay कैसे Connection करें?

Phase Failure Relay को तीन-फेज़ मोटर और मशीनरी की सुरक्षा के लिए इस तरह कनेक्ट किया जाता है कि यह सप्लाई की असामान्यता (Phase Loss, Phase Reversal, Voltage Imbalance) का तुरंत पता लगा सके और मोटर को सुरक्षित रूप से बंद कर दे। नीचे दिए गए वीडियो में आप देख सकते हैं कि Phase Failure Relay का कनेक्शन कैसे किया जाता है।

Phase Failure Relay कैसे Connection करें?
Phase Failure Relay कैसे Connection करें?

1. आवश्यक उपकरण (Required Components)

  • 3-फेज़ पावर सप्लाई (R, Y, B) और न्यूट्रल (N)
  • Phase Failure Relay (PFR)
  • DOL या स्टार्टर मोटर कंट्रोल सर्किट
  • Contactor और Overload Relay
  • Start/Stop Push Button
  • Alarm Indicator (वैकल्पिक)
  • कंट्रोल और पावर वायरिंग के लिए तार

2. पावर सर्किट कनेक्शन (Power Circuit Connection)

तीन-फेज़ सप्लाई (R-Y-B) को सबसे पहले ओवरलोड रिले के इनपुट टर्मिनल्स से जोड़ें। ओवरलोड रिले के आउटपुट को कॉन्टैक्टर के पावर इनपुट से कनेक्ट करें और उसके आउटपुट को मोटर तक पहुँचाएँ। इस तरह मोटर का मुख्य पावर सर्किट तैयार होता है।

3. Phase Failure Relay इनपुट कनेक्शन (Relay Input Connection)

Phase Failure Relay के इनपुट टर्मिनल (L1, L2, L3) पर तीनों फेज़ (R-Y-B) और न्यूट्रल (N) कनेक्ट करें। यह वैज्ञानिक रूप से PFR को फेज़ वोल्टेज और फेज़ एंगल का निरंतर मापन करने की अनुमति देता है।

4. कंट्रोल सर्किट कनेक्शन (Control Circuit Connection)

रिले के कॉमन टर्मिनल से तार लेकर स्टार्ट पुश बटन के इनपुट से जोड़ें। स्टॉप पुश बटन के माध्यम से यह तार कॉन्टैक्टर कॉइल (A1/A2) तक जाती है। जब सब कुछ सामान्य रहता है, रिले का आउटपुट एनर्जाइज़ रहता है और मोटर स्टार्ट हो सकती है।

5. रिले आउटपुट और अलार्म (Relay Output & Alarm)

Phase Failure Relay के NO (Normally Open) टर्मिनल से तार लेकर अलार्म इंडिकेटर से कनेक्ट करें। जैसे ही कोई फॉल्ट (फेज़ लॉस, रिवर्सल या असंतुलन) आता है, रिले तुरंत ट्रिप कर देता है और अलार्म ऑन हो जाता है।

6. सुरक्षा और वैज्ञानिक सिद्धांत (Scientific Reasoning)

Phase Failure Relay इन सभी कनेक्शन के माध्यम से RMS वोल्टेज और फेज़ एंगल का निरंतर मापन करता है। किसी भी असामान्यता का पता चलते ही कम्पेरेटर सर्किट रिले को ट्रिप करता है, जिससे मोटर और मशीनरी में I²R लॉस और थर्मल स्ट्रेस नहीं बढ़ता। इस तरह यह वैज्ञानिक रूप से मोटर और उपकरणों की सुरक्षा सुनिश्चित करता है।

Phase Failure Relay के फायदे (Advantages in Scientific Perspective)

Phase Failure Relay तीन-फेज़ सिस्टम में आने वाली असामान्यताओं से मोटर और मशीनरी को बचाकर उनकी सुरक्षा, विश्वसनीयता और कार्यक्षमता सुनिश्चित करता है। इसका कार्य वैज्ञानिक रूप से सेंसिंग, तुलना और त्वरित नियंत्रण के सिद्धांत पर आधारित है। इसके मुख्य फायदे इस प्रकार हैं:

1. मोटर सुरक्षा (Motor Protection)

यह रिले सिंगल-फेज़िंग, फेज़ रिवर्सल या वोल्टेज असंतुलन जैसी स्थितियों का तुरंत पता लगाकर मोटर को ओवरहीटिंग और अधिक करंट खींचने से बचाता है। वैज्ञानिक दृष्टि से, यह मोटर में उत्पन्न होने वाले I²R लॉस और थर्मल स्ट्रेस को रोकता है, जिससे वाइंडिंग फेलियर का खतरा समाप्त हो जाता है।

2. मशीन और उपकरण की लंबी उम्र (Equipment Longevity)

Phase Failure Relay लगातार सप्लाई की निगरानी करता है और असंतुलन या ओवर/अंडर वोल्टेज आने पर तुरंत कार्रवाई करता है। यह मोटर और मशीनरी पर अनावश्यक इलेक्ट्रिकल और थर्मल तनाव को कम करता है, जिससे उनके घटकों की कार्य क्षमता और उम्र बढ़ती है।

3. तेज़ प्रतिक्रिया और सुरक्षा (Rapid Response & Safe Operation)

रिले की प्रतिक्रिया मिलीसेकंड स्तर पर होती है। जैसे ही किसी फेज़ में समस्या आती है, रिले आउटपुट को डी-एनर्जाइज़ करके सप्लाई कट कर देता है। इससे मशीनों का संचालन सुरक्षित रहता है और औद्योगिक दुर्घटनाओं या उपकरण क्षति का जोखिम न्यूनतम होता है।

4. विश्वसनीय संचालन और उत्पादन में स्थिरता (Reliability & Productivity)

Phase Failure Relay उपकरणों को अचानक ब्रेकडाउन और सिंगल-फेज़िंग जैसी स्थितियों से बचाता है। इससे मशीनें निरंतर चलती रहती हैं, औद्योगिक प्रक्रियाओं में रुकावट कम होती है और उत्पादन स्थिर रहता है।

5. मेंटेनेंस लागत में कमी (Reduced Maintenance Costs)

उपकरणों की सुरक्षा के कारण मरम्मत और रखरखाव की आवश्यकता कम हो जाती है। यह वैज्ञानिक रूप से वोल्टेज असंतुलन और ओवरलोड से उत्पन्न थर्मल और इलेक्ट्रिकल नुकसान को रोकता है, जिससे रखरखाव लागत घटती है।

6. उन्नत और बहुउद्देश्यीय सुरक्षा (Advanced & Multifunction Protection)

आधुनिक डिजिटल रिले माइक्रोप्रोसेसर आधारित होते हैं और यह Phase Loss, Phase Reversal, Phase Imbalance, Over/Under Voltage सभी का पता लगाते हैं। LED/डिजिटल डिस्प्ले और प्रोग्रामेबल सेटिंग्स के माध्यम से यह वैज्ञानिक रूप से अधिक सटीक और भरोसेमंद सुरक्षा प्रदान करते हैं।

Phase Failure Relay कहां उपयोग होता है?

Phase Failure Relay का मुख्य उद्देश्य तीन-फेज़ विद्युत प्रणाली में उपकरणों को सुरक्षा प्रदान करना है। इसका वैज्ञानिक महत्व यह है कि यह मोटर और मशीनरी में I²R लॉस, थर्मल स्ट्रेस और इंसुलेशन फेलियर को रोकता है, जिससे मशीनरी सुरक्षित रहती है और उत्पादन लगातार बना रहता है।

Phase Failure Relay क्या है?
Phase Failure Relay कहां उपयोग होता है

मुख्य उपयोग के क्षेत्र:

इंडस्ट्रियल मोटर्स: तीन-फेज़ मोटर को सिंगल-फेज़िंग, फेज़ रिवर्सल और वोल्टेज असंतुलन से बचाता है, जिससे मोटर जलने या ओवरहीट होने से सुरक्षित रहती है।

पंप और बोरवेल सिस्टम: पानी या फ्लूड पंपिंग सिस्टम में सप्लाई में गड़बड़ी होने पर मोटर को तुरंत डिस्कनेक्ट कर देता है, जिससे पंप का नुकसान या जलन नहीं होती।

एयर कंडीशनिंग और HVAC सिस्टम: HVAC यूनिट की मोटर और कंपोनेंट्स को वोल्टेज असंतुलन या फेज़ लॉस से बचाता है।

कंप्रेसर: एयर और गैस कंप्रेसर की सुरक्षा के लिए, Phase Failure Relay फेज़ असंतुलन या फेज़ रिवर्सल पर तुरंत प्रतिक्रिया करता है।

लिफ्ट और एलेवेटर: गलत फेज़ क्रम या सप्लाई फेल होने पर लिफ्ट मोटर उल्टी दिशा में न चल सके, इसके लिए PFR का उपयोग किया जाता है।

फैक्ट्री मशीनरी और पावर पैनल: विभिन्न औद्योगिक मशीनों और पावर डिस्ट्रीब्यूशन पैनल में सप्लाई की निरंतर निगरानी कर उपकरणों और पैनल की सुरक्षा करता है।

Phase Failure Relay और Overload Relay में अंतर

Phase Failure Relay और Overload Relay दोनों ही मोटर प्रोटेक्शन के लिए उपयोग होते हैं, लेकिन इनका कार्य सिद्धांत और सुरक्षा का दायरा अलग-अलग होता है। Phase Failure Relay मुख्य रूप से वोल्टेज और फेज़ कंडीशन की निगरानी करता है, जबकि Overload Relay मोटर में बहने वाले करंट के आधार पर सुरक्षा प्रदान करता है। नीचे इनके बीच अंतर को सरल तालिका के रूप में समझाया गया है।

बिंदुPhase Failure RelayOverload Relay
सुरक्षा का आधारवोल्टेज और फेज़ कंडीशनमोटर करंट
किस फॉल्ट से सुरक्षाPhase Loss, Phase Sequence, Voltage ImbalanceOverload, Overcurrent
कार्य सिद्धांतवोल्टेज और फेज़ एंगल की निगरानीकरंट और ताप (Thermal Effect) पर आधारित
प्रतिक्रिया समयलगभग तुरंतसमय के साथ (Inverse Time)
मुख्य उपयोगपावर क्वालिटी और सप्लाई मॉनिटरिंगमोटर करंट और लोड प्रोटेक्शन
मोटर पर प्रभावगलत सप्लाई पर मोटर को चलने से रोकता हैज्यादा लोड पर मोटर को बंद करता है

यह तालिका (Table) स्पष्ट करती है कि दोनों रिले एक-दूसरे के पूरक हैं, और बेहतर मोटर सुरक्षा के लिए औद्योगिक सिस्टम में दोनों का साथ-साथ उपयोग किया जाता है।

Phase Failure Relay चुनते समय ध्यान देने योग्य बातें

Phase Failure Relay का सही चयन करना वैज्ञानिक दृष्टि से बहुत महत्वपूर्ण है, क्योंकि यह डिवाइस सीधे तीन-फेज़ विद्युत प्रणाली की स्थिरता (Stability), संतुलन (Balance) और सुरक्षा (Protection) से जुड़ा होता है। गलत रिले चुनने पर मोटर को पर्याप्त सुरक्षा नहीं मिलती, जबकि सही रिले वोल्टेज, फेज़ एंगल और असंतुलन जैसी विद्युत घटनाओं को समय रहते पहचान लेता है।

सबसे पहले सप्लाई वोल्टेज पर ध्यान देना चाहिए।

आपके सिस्टम की रेटेड सप्लाई 415V, 440V या फेज-टू-न्यूट्रल 230V है, यह रिले की आंतरिक वोल्टेज सेंसिंग सर्किटरी के लिए निर्णायक होती है। रिले का वोल्टेज रेंज सिस्टम से मेल खाना चाहिए ताकि वह RMS वोल्टेज और फेज़-टू-फेज़ अंतर को सही तरीके से माप सके।

दूसरा महत्वपूर्ण बिंदु है Adjustable या Fixed मॉडल का चयन।

Adjustable मॉडल में अंडर/ओवर वोल्टेज, फेज़ असंतुलन और ट्रिप डिले जैसी सेटिंग्स बदली जा सकती हैं, जो विज्ञान में “Tolerance Control” कहलाती है। यह सुविधा उन सिस्टम्स में उपयोगी होती है जहाँ वोल्टेज में हल्का-फुल्का फ्लक्चुएशन सामान्य होता है। Fixed मॉडल सरल सिस्टम्स के लिए उपयुक्त होते हैं।

Protection Features पर विशेष ध्यान देना चाहिए।

अच्छा Phase Failure Relay केवल Phase Loss ही नहीं, बल्कि Phase Sequence, Voltage Imbalance और Under/Over Voltage जैसी स्थितियों को भी पहचानता है। यह सब विद्युत विज्ञान के उस सिद्धांत पर आधारित है जिसमें असंतुलित वोल्टेज से मोटर में असमान करंट और अतिरिक्त ताप (Heat) उत्पन्न होता है।

Industrial Grade और विश्वसनीय ब्रांड का चयन आवश्यक है।

इंडस्ट्रियल-ग्रेड रिले उच्च तापमान, कंपन और इलेक्ट्रिकल नॉइज़ में भी सटीक रूप से कार्य करते हैं। माइक्रोकंट्रोलर या सॉलिड-स्टेट आधारित रिले तेज़ सैंपलिंग और अधिक सटीक निर्णय क्षमता प्रदान करते हैं।

Standards और Compliance भी उतने ही जरूरी हैं।

IS, IEC या UL मानकों के अनुरूप रिले यह सुनिश्चित करते हैं कि डिवाइस अंतरराष्ट्रीय सुरक्षा और परफॉर्मेंस टेस्ट्स पर खरा उतरता है। यह वैज्ञानिक रूप से प्रमाणित करता है कि रिले की प्रतिक्रिया समय, इन्सुलेशन और सेंसिंग सटीक है।

सही Phase Failure Relay वही है जो आपके सिस्टम की सप्लाई, सुरक्षा आवश्यकताओं और ऑपरेटिंग कंडीशन्स के अनुसार वैज्ञानिक रूप से अनुकूल हो, ताकि मोटर और मशीनरी लंबे समय तक सुरक्षित और विश्वसनीय रूप से काम करती रहे।


अक्सर पूछे जाने वाले प्रश्न (Frequently Asked Questions)

1. क्या Phase Failure Relay और Phase Monitoring Relay एक ही हैं?

पूरी तरह एक जैसे नहीं हैं, लेकिन व्यवहार में अक्सर एक ही श्रेणी में माने जाते हैं।
Phase Failure Relay मुख्य रूप से phase loss (single phasing) को detect करता है, जबकि Phase Monitoring Relay phase loss के साथ-साथ phase sequence, phase imbalance, under/over voltage जैसी अन्य असामान्यताओं को भी monitor करता है। इसी कारण कई जगह Phase Monitoring Relay को ही Phase Failure Relay कहकर उपयोग किया जाता है।

2. क्या Phase Failure Relay single-phasing को हमेशा 100% detect कर पाता है?

आधुनिक, माइक्रोप्रोसेसर-आधारित Phase Failure Relays लगभग 100% तक single-phasing detect कर लेते हैं और किसी भी फेज़ के गायब होते ही मोटर को तुरंत ट्रिप कर देते हैं। हालांकि वास्तविक प्रदर्शन रिले की गुणवत्ता, सही इंस्टॉलेशन और सही सेटिंग पर निर्भर करता है, फिर भी ये मोटर और उपकरणों के लिए बहुत विश्वसनीय सुरक्षा प्रदान करते हैं।

3. Phase Failure Relay start के समय motor को trip क्यों कर देता है?

Motor start के समय inrush current और momentary voltage drop के कारण अस्थायी voltage imbalance या phase dip होता है, जिसे Phase Failure Relay fault समझ लेता है। यदि start delay या सही voltage/imbalance setting न हो, तो relay motor को start होते ही trip कर देता है।

4. Phase Failure Relay और VFD के साथ अलग व्यवहार क्यों करता है?

VFD इनपुट AC को पहले DC में rectify करता है और फिर आउटपुट पर नया 3-phase वोल्टेज बनाता है। इस प्रक्रिया में phase loss या imbalance सीधे दिखाई नहीं देता, इसलिए Phase Failure Relay VFD के साथ सही तरीके से sense नहीं कर पाता और false trip या no-trip की स्थिति बन सकती है। VFD के साथ आमतौर पर built-in phase protection या DC bus monitoring पर भरोसा किया जाता है।


धन्यवाद! हमें उम्मीद है कि यह पोस्ट ”Phase Failure Relay क्या है” आपके लिए जानकारीपूर्ण और मददगार रही होगी। अगर आपके कोई विचार, अनुभव या सवाल हैं, तो उन्हें नीचे कमेंट में शेयर करना न भूलें।

Comments

No comments yet. Why don’t you start the discussion?

    प्रातिक्रिया दे

    आपका ईमेल पता प्रकाशित नहीं किया जाएगा. आवश्यक फ़ील्ड चिह्नित हैं *