MPCB कैसे काम करता है? | MPCB वायरिंग, कार्य सिद्धांत और उपयोग

आज के औद्योगिक और व्यावसायिक क्षेत्र में विद्युत मोटरों का व्यापक रूप से उपयोग किया जाता है। फैक्ट्रियों में मशीनें चलाने से लेकर पानी के पंप, कंप्रेसर, कन्वेयर बेल्ट और एसी सिस्टम तक—हर जगह मोटर एक महत्वपूर्ण भूमिका निभाती है। चूँकि मोटर लगातार और भारी कार्य करती है, इसलिए उसमें खराबी आने की संभावना भी बनी रहती है।

मोटर को सुरक्षित रखने तथा उसकी कार्यक्षमता और आयु बढ़ाने के लिए जिस उपकरण का उपयोग किया जाता है, उसे एमपीसीबी (Motor Protection Circuit Breaker) कहा जाता है। यह एक ऐसा सुरक्षा उपकरण है जो मोटर को ओवरलोड, शॉर्ट सर्किट और फेज फेल जैसी समस्याओं से बचाता है। सही समय पर मोटर को बंद करके यह बड़े नुकसान और महंगे रिपेयर से बचाव करता है।

अक्सर लोग इंटरनेट पर केवल “एमपीसीबी” या “MPCB कैसे काम करता है” जैसे सवाल खोजते हैं, लेकिन उन्हें सरल और पूरी जानकारी एक जगह नहीं मिल पाती। कई बार तकनीकी भाषा इतनी कठिन होती है कि सामान्य पाठक समझ नहीं पाता कि एमपीसीबी वास्तव में करता क्या है और इसकी जरूरत क्यों होती है।

इसी समस्या को ध्यान में रखते हुए, इस लेख में हम एमपीसीबी के कार्य सिद्धांत को बहुत ही आसान, स्पष्ट और पूरी तरह हिंदी भाषा में समझेंगे। यहाँ किसी भी जटिल तकनीकी शब्द का उपयोग बिना समझाए नहीं किया जाएगा। इस लेख को पढ़ने के बाद आप यह जान पाएँगे कि एमपीसीबी क्या है, यह मोटर की सुरक्षा कैसे करता है और औद्योगिक कार्यों में इसका उपयोग क्यों इतना आवश्यक है।

एमपीसीबी क्या है? (What Is MPCB)

एमपीसीबी (MPCB) का पूरा नाम मोटर प्रोटेक्शन सर्किट ब्रेकर (Motor Protection Circuit Breaker) होता है। यह एक विशेष विद्युत सुरक्षा उपकरण है, जिसका उपयोग इलेक्ट्रिक मोटरों को सुरक्षित रखने के लिए किया जाता है।

एमपीसीबी मोटर को ओवरलोड, शॉर्ट सर्किट, फेज फेल और फेज असंतुलन जैसी समस्याओं से बचाता है। जैसे ही मोटर में कोई असामान्य स्थिति उत्पन्न होती है, यह स्वतः मोटर की सप्लाई बंद कर देता है, जिससे मोटर की वाइंडिंग, इन्सुलेशन और मैकेनिकल पार्ट्स को गंभीर नुकसान से बचाया जा सके।

यह उपकरण थर्मल और मैग्नेटिक प्रोटेक्शन के सिद्धांत पर कार्य करता है, जिससे ओवरलोड की स्थिति में नियंत्रित प्रतिक्रिया और शॉर्ट सर्किट की स्थिति में त्वरित ट्रिपिंग सुनिश्चित होती है।

सरल शब्दों में: एमपीसीबी मोटर की सुरक्षा के लिए बनाया गया एक स्वचालित सुरक्षा स्विच है, जो मोटर की उम्र बढ़ाने, फेल्योर कम करने और सिस्टम को सुरक्षित रूप से संचालित रखने में महत्वपूर्ण भूमिका निभाता है।

और पढ़ें: मोटर एन्कोडर (Motor Encoder) क्या होता है?

MPCB कैसे काम करता है? (How Does MPCB Works)

एमपीसीबी (Motor Protection Circuit Breaker) का काम मोटर पर लगातार नज़र रखना होता है। यह मोटर में बहने वाली धारा (करंट) को लगातार मॉनिटर करता रहता है और जैसे ही कोई असामान्य स्थिति पैदा होती है, तुरंत मोटर की सप्लाई बंद कर देता है, ताकि मोटर को नुकसान न पहुँचे।

MPCB कैसे काम करता है?
MPCB कैसे काम करता है?

MPCB का कार्य सिद्धांत मुख्य रूप से थर्मल (तापीय) और मैग्नेटिक (चुंबकीय) सुरक्षा पर आधारित होता है। जब मोटर ज़रूरत से ज़्यादा करंट लेने लगती है और यह स्थिति कुछ समय तक बनी रहती है, तब थर्मल प्रोटेक्शन सक्रिय होकर मोटर को ओवरलोड से बचाता है। वहीं अगर अचानक शॉर्ट सर्किट जैसी गंभीर खराबी आ जाए, तो मैग्नेटिक प्रोटेक्शन तुरंत ट्रिप होकर सप्लाई काट देता है।

एमपीसीबी को इस तरह बनाया गया है कि मोटर के स्टार्ट होते समय आने वाले सामान्य अधिक करंट को वह समझ सके और बेवजह ट्रिप न करे। लेकिन जैसे ही करंट सुरक्षित सीमा से बाहर जाता है, यह बिना देरी किए प्रतिक्रिया देता है और मोटर को सुरक्षित रखता है।

एमपीसीबी मुख्य रूप से निम्न तीन परिस्थितियों में कार्य करता है:

1. अधिक धारा (Overload) की स्थिति में MPCB कैसे काम करता है?

जब मोटर सामान्य से अधिक लोड के कारण अपनी तय सीमा से ज़्यादा धारा लेने लगती है, तो इसे ओवरलोड स्थिति कहा जाता है। यह स्थिति अक्सर मशीन के जाम होने, घर्षण बढ़ने या यांत्रिक खराबी के कारण उत्पन्न होती है।

एमपीसीबी इस स्थिति को पहचानने के लिए तापीय सुरक्षा प्रणाली का उपयोग करता है। इसके अंदर एक विशेष द्विधातु पट्टी (Bimetal Strip) लगी होती है, जिसके माध्यम से मोटर का करंट प्रवाहित होता है।

जैसे ही अधिक धारा बहती है, यह द्विधातु पट्टी धीरे-धीरे गर्म होने लगती है। गर्म होने पर धातुओं के अलग-अलग फैलाव के कारण पट्टी मुड़ जाती है। यह मुड़ना एमपीसीबी के ट्रिप मैकेनिज़्म को सक्रिय कर देता है।

ट्रिप होते ही एमपीसीबी मोटर की बिजली सप्लाई काट देता है। इससे मोटर लगातार गर्म नहीं होती और उसकी वाइंडिंग जलने से बच जाती है।

सरल शब्दों में, जब मोटर ज़्यादा मेहनत करने लगती है और ज़्यादा करंट खींचती है, तो एमपीसीबी समय रहते मोटर को बंद कर देता है और उसे नुकसान से बचाता है।

2. शॉर्ट सर्किट की स्थिति में MPCB कैसे काम करता है?

शॉर्ट सर्किट वह स्थिति होती है जब किसी खराबी के कारण बिजली का प्रवाह अचानक बहुत तेज़ हो जाता है। यह स्थिति कुछ ही क्षणों में मोटर, केबल और पूरे विद्युत सिस्टम को गंभीर नुकसान पहुँचा सकती है, इसलिए इसमें तुरंत प्रतिक्रिया बहुत आवश्यक होती है।

ऐसी स्थिति में एमपीसीबी का चुंबकीय (मैग्नेटिक) ट्रिप तंत्र काम में आता है। जैसे ही शॉर्ट सर्किट होता है, मोटर सर्किट में अत्यधिक धारा बहने लगती है। इस तेज़ धारा से एमपीसीबी के अंदर मौजूद चुंबकीय कॉइल में एक शक्तिशाली चुंबकीय क्षेत्र बनता है।

यह चुंबकीय क्षेत्र बिना किसी देरी के ट्रिप मैकेनिज़्म को सक्रिय कर देता है। परिणामस्वरूप, एमपीसीबी कुछ ही मिलीसेकंड में मोटर की बिजली सप्लाई पूरी तरह काट देता है।

इस तेज और स्वचालित क्रिया के कारण:

  • मोटर की वाइंडिंग सुरक्षित रहती है
  • तारों पर अत्यधिक गर्मी नहीं पड़ती
  • आग या बड़े विद्युत नुकसान की संभावना कम हो जाती है
  • शॉर्ट सर्किट के समय एमपीसीबी बिजली को उतनी ही जल्दी बंद कर देता है, जितनी जल्दी नुकसान हो सकता है—और यही इसकी सबसे बड़ी सुरक्षा विशेषता है।

3. फेज फेल या फेज असंतुलन की स्थिति में MPCB कैसे काम करता है?

तीन-फेज मोटर का सही और सुरक्षित संचालन तभी संभव होता है, जब तीनों फेज समान रूप से काम करें। यदि किसी कारण से एक फेज बंद हो जाए या तीनों फेजों में धारा बराबर न रहे, तो मोटर सामान्य रूप से काम नहीं कर पाती और बहुत तेजी से गर्म होने लगती है। यह स्थिति मोटर के लिए बेहद खतरनाक होती है।

एमपीसीबी ऐसी स्थिति को समझने में सक्षम होता है। यह मोटर में बहने वाली धारा पर लगातार नज़र रखता है। जैसे ही इसे फेज लॉस या फेज असंतुलन का संकेत मिलता है, यह तुरंत प्रतिक्रिया देता है।

इस दौरान एमपीसीबी की तापीय सुरक्षा प्रणाली सक्रिय हो जाती है और बिना किसी देरी के मोटर की बिजली सप्लाई बंद कर दी जाती है। इससे मोटर को सिंगल-फेज पर चलने से रोका जाता है, जो उसकी वाइंडिंग को गंभीर नुकसान पहुँचा सकता है।

एमपीसीबी मोटर को गलत परिस्थितियों में जबरदस्ती चलने नहीं देता। वह समय रहते मोटर को बंद कर देता है, ताकि मोटर सुरक्षित रहे और उसकी उम्र कम न हो।

और पढ़ें: स्लिप रिंग इंडक्शन मोटर (Slip Ring Induction Motor) क्या है?

एमपीसीबी के मुख्य भाग (Main Parts Of MPCB)

एमपीसीबी (Motor Protection Circuit Breaker) के अंदर कई ऐसे महत्वपूर्ण हिस्से होते हैं जो आपस में मिलकर मोटर की हर स्थिति पर नज़र रखते हैं और ज़रूरत पड़ने पर उसे सुरक्षित रूप से बंद कर देते हैं। प्रत्येक भाग की अपनी अलग भूमिका होती है, लेकिन सभी का उद्देश्य एक ही होता है—मोटर की सुरक्षा।

एमपीसीबी के प्रमुख भाग इस प्रकार हैं:

1. Thermal Bimetal Strip – तापीय द्विधातु पट्टी

जब मोटर अपनी निर्धारित सीमा से अधिक करंट खींचती है, यह पट्टी गर्म होकर मुड़ जाती है और ट्रिप मैकेनिज़्म को सक्रिय कर देती है।

  • यह विशेष रूप से ओवरलोड सुरक्षा के लिए जिम्मेदार है।
  • मोटर के सामान्य संचालन के दौरान छोटे उतार-चढ़ाव पर ट्रिप नहीं करता, इसलिए यह मोटर की जीवन अवधि को बढ़ाता है।

2. Magnetic Trip Coil – चुंबकीय ट्रिप कुंडली

जब करंट असामान्य रूप से बढ़ता है, यह Magnetic Trip Coil कुंडली तुरंत सक्रिय हो जाती है और एमपीसीबी को ट्रिप कर देती है।

  • इसे instant protection भी कहा जा सकता है, क्योंकि यह मोटर और वायरिंग को नुकसान पहुँचाने से पहले ही बिजली कट कर देती है।
  • यह मोटर के लिए सबसे तेज़ और भरोसेमंद सुरक्षा तंत्र है।

3. Adjustable Current Control Knob – समायोज्य धारा नियंत्रण नॉब

  • इससे आप सुनिश्चित कर सकते हैं कि एमपीसीबी केवल सही समय पर ट्रिप करे और छोटे-छोटे फ्लक्चुएशन्स पर न फंसें।
  • यह विशेष रूप से विभिन्न प्रकार की मोटरों और लोडिंग स्थितियों के लिए बहुत उपयोगी है।

4. Trip Mechanism – ट्रिप तंत्र

The trip mechanism is the central decision-making part. यह सभी संकेतों को मिलाकर तुरंत निर्णय लेता है और मोटर की सप्लाई काट देता है।

  • इसमें थर्मल और मैग्नेटिक दोनों सुरक्षा का समन्वय होता है।
  • यह सुनिश्चित करता है कि मोटर सिर्फ वास्तविक फॉल्ट पर ही बंद हो, न कि सामान्य संचालन के दौरान।

5. ON/OFF Switch – चालू और बंद करने का स्विच

  • फॉल्ट ठीक होने के बाद इसी स्विच से मोटर को रीसेट करके फिर से चालू किया जा सकता है।
  • यह उपयोगकर्ता को सुरक्षित और आसान ऑपरेशन का नियंत्रण देता है।

अतिरिक्त जानकारी

  • सभी पार्ट्स मिलकर मोटर को पूर्ण सुरक्षा कवच प्रदान करते हैं।
  • एमपीसीबी के अंदर होने वाली सुरक्षा क्रियाएँ तेज़, विश्वसनीय और स्वचालित होती हैं, जिससे मोटर पर किसी भी तरह का स्थायी नुकसान नहीं होता।
  • इसे एक सतर्क प्रहरी की तरह समझा जा सकता है जो हमेशा मोटर पर नजर रखता है और खतरा आते ही तुरंत कार्रवाई करता है।
  • सही तरीके से सेट किए गए एमपीसीबी से उर्जा की बचत भी होती है क्योंकि यह मोटर को अनावश्यक रूप से बार-बार ट्रिप नहीं होने देता।

MPCB की धारा सेटिंग कैसे कार्य करती है (How MPCB Current Setting Works)

एमपीसीबी (Motor Protection Circuit Breaker) की सबसे महत्वपूर्ण विशेषताओं में से एक है इसकी धारा सेटिंग (Current Setting)। यह सेटिंग यह तय करती है कि मोटर के लिए कितनी अधिकतम धारा सुरक्षित है और कब एमपीसीबी को ट्रिप होना चाहिए।

MPCB कैसे काम करता है?

Setting the Current – धारा सेट करना

एमपीसीबी के सामने एक डायल या नॉब (Adjustable Dial/Knob) होता है। इसे घुमा कर आप मोटर के लिए सुरक्षित अधिकतम करंट (Maximum Safe Current) सेट कर सकते हैं।

  • इस सेटिंग को मोटर की Rated Full Load Current (FLA) के अनुसार किया जाता है।
  • इसे Thermal Pickup Current (Ir) भी कहते हैं।

How it Works – कैसे कार्य करती है

  • जब मोटर सामान्य रूप से चल रही होती है, तो एमपीसीबी लगातार करंट को मॉनिटर करता है।
  • अगर मोटर आवश्यक धारा से अधिक करंट खींचती है (ओवरलोड या फॉल्ट की वजह से), तो एमपीसीबी तुरंत प्रतिक्रिया देता है।
  • Thermal और Magnetic mechanisms का उपयोग करके यह सर्किट को तोड़ देता है और मोटर को नुकसान से बचाता है।
  • खास बात यह है कि स्टार्टअप के समय मोटर में आने वाले high inrush current पर एमपीसीबी गलत तरीके से ट्रिप नहीं करता।

Why It’s Important – महत्व क्यों है

  • सही धारा सेटिंग से अनावश्यक ट्रिपिंग नहीं होती।
  • मोटर लंबे समय तक सुरक्षित रहती है और इसकी उम्र बढ़ती है।
  • यह सेटिंग मोटर की ओवरलोड सुरक्षा और शॉर्ट सर्किट सुरक्षा दोनों के लिए आधार तैयार करती है।

MPCB की धारा सेटिंग उस सीमा को तय करती है जिस पर मोटर सुरक्षित रूप से काम कर सकती है। यह एक तरह से मोटर की “सुरक्षा लाइन” है—जैसे ही मोटर इसे पार करती है, एमपीसीबी तुरंत सक्रिय हो जाता है और मोटर को नुकसान से बचा लेता है।

MPCB और MCB में अंतर – Difference Between MPCB and MCB

मोटर और सामान्य विद्युत सर्किट की सुरक्षा के लिए अलग-अलग उपकरण होते हैं। आमतौर पर एमसीबी (MCB) का उपयोग केवल तारों और सामान्य ओवरकरंट से बचाने के लिए किया जाता है। लेकिन मोटरों के लिए विशेष सुरक्षा की आवश्यकता होती है।

एमपीसीबी (MPCB) मोटर के लिए ओवरलोड, शॉर्ट-सर्किट, फेज फेल और फेज असंतुलन जैसी स्थितियों से सुरक्षा प्रदान करता है। नीचे दी गई टेबल में हम एमपीसीबी और एमसीबी के बीच मुख्य अंतर और कारण आसान और स्पष्ट तरीके से समझा रहे हैं।

विशेषता / Featureएमपीसीबी (MPCB)एमसीबी (MCB)
मोटर सुरक्षा / Motor Protectionहाँ – मोटर को ओवरलोड, फेज फेल और असंतुलन से बचाता हैनहीं – सिर्फ तारों की सुरक्षा करता है
ओवरलोड सुरक्षा / Overload Protectionसटीक – थर्मल बायमेटल या इलेक्ट्रॉनिक सेंसर मोटर लोड के अनुसार काम करता हैसीमित – केवल करंट लिमिट पर ट्रिप करता है, मोटर की गर्मी नहीं देखता
फेज फेल सुरक्षा / Phase Loss Protectionहाँ – फेज बंद होने पर मोटर तुरंत ट्रिप होती हैनहीं – फेज लॉस का पता नहीं लगाता
धारा समायोजन / Adjustable Current Settingहाँ – मोटर की Rated Current के अनुसार सेट किया जा सकता हैनहीं – करंट सेटिंग की सुविधा नहीं
शॉर्ट सर्किट प्रतिक्रिया / Short Circuit Responseत्वरित और मोटर-फ्रेंडली – स्टार्टिंग करंट को ध्यान में रखता हैत्वरित – लेकिन स्टार्टिंग करंट पर भी ट्रिप हो सकता है
रीसेट और ऑपरेशन / Reset & Operationआसान – फॉल्ट दूर होने पर तुरंत रीसेट किया जा सकता हैकठिन – फ़्यूज़ बदलना या पूरी लाइन चेक करना पड़ता है
फेज असंतुलन सुरक्षा / Phase Imbalance Protectionहाँ – असमान करंट होने पर मोटर को सुरक्षा देता हैनहीं – इस सुविधा की कमी है

MCB सिर्फ तारों को बचाता है, लेकिन MPCB मोटर और पूरे सिस्टम को सुरक्षित रखता है। यही कारण है कि मोटर सुरक्षा के लिए हमेशा MPCB का उपयोग करना चाहिए।

Advantages of MPCB – एमपीसीबी के लाभ

एमपीसीबी (Motor Protection Circuit Breaker) मोटरों की सुरक्षा और लंबी उम्र सुनिश्चित करने वाला एक अत्यंत महत्वपूर्ण उपकरण है। यह न केवल मोटर की सुरक्षा करता है बल्कि रखरखाव, लागत और संचालन में भी मदद करता है।

1. Comprehensive Motor Protection – व्यापक मोटर सुरक्षा

एमपीसीबी मोटर को ओवरलोड, शॉर्ट-सर्किट, फेज लॉस और फेज असंतुलन जैसी सभी संभावित खतरनाक परिस्थितियों से बचाता है।

  • यह मोटर की वाइंडिंग को जलने और नुकसान से बचाता है।
  • फेज लॉस या असंतुलन जैसी समस्या पर तुरंत प्रतिक्रिया देकर सिंगल फेजिंग से मोटर को होने वाले नुकसान को रोकता है।
  • मोटर पर निरंतर निगरानी (Continuous Monitoring) के कारण यह प्रत्येक फॉल्ट को पहचानकर समय रहते रोकता है, जिससे सुरक्षा और भरोसेमंद संचालन सुनिश्चित होता है।

2. Cost & Space Saving – लागत और स्थान की बचत

एमपीसीबी में अक्सर इनबिल्ट कॉन्टैक्टर और रिले होते हैं, जिससे अलग से अतिरिक्त उपकरण लगाने की जरूरत नहीं पड़ती।

  • यह कंपैक्ट डिज़ाइन होने के कारण पैनल में कम जगह घेरता है।
  • अलग कॉन्टैक्टर और रिले की जरूरत नहीं होने से कुल लागत कम हो जाती है।
  • छोटे आकार के बावजूद, यह पूर्ण सुरक्षा और नियंत्रण प्रदान करता है।

3. Improved Efficiency & Reliability – बेहतर दक्षता और विश्वसनीयता

एमपीसीबी की सटीक करंट सेटिंग्स मोटर को गलत ट्रिपिंग से बचाती हैं।

  • इससे मोटर का संचालन लगातार और निर्बाध रहता है।
  • डाउनटाइम कम होने के कारण उत्पादन और कार्यकुशलता बढ़ती है।
  • मोटर का जीवनकाल बढ़ता है और महंगे मरम्मत खर्च और रखरखाव की जरूरत कम होती है।
  • सही सेटिंग्स से स्टार्टिंग करंट (Inrush Current) पर भी गलती से ट्रिपिंग नहीं होती, जो छोटे और बड़े उद्योगों के लिए बहुत महत्वपूर्ण है।

4. Convenient Operation – सुविधाजनक संचालन

एमपीसीबी में ऑटो-रीसेट या मैनुअल रीसेट की सुविधा होती है।

  • फॉल्ट दूर होने के बाद तुरंत मोटर को चालू किया जा सकता है, जिससे समय और श्रम की बचत होती है।
  • इसका कॉम्पैक्ट डिज़ाइन इसे छोटे पैनलों और सीमित स्थानों में भी इस्तेमाल करने योग्य बनाता है।
  • सरल ऑपरेशन के कारण सिक्योरिटी और भरोसा दोनों बढ़ता है।

5. Enhanced Safety – बढ़ी हुई सुरक्षा

एमपीसीबी तुरंत सर्किट को डिस्कनेक्ट कर देता है जब कोई असामान्य स्थिति आती है।

  • यह मोटर और ऑपरेटर दोनों की सुरक्षा करता है।
  • दुर्घटनाओं, विद्युत झटके और आग के जोखिम को कम करता है।
  • फॉल्ट के दौरान सटीक और तेज़ प्रतिक्रिया सुनिश्चित करता है, जो किसी भी औद्योगिक या घरेलू सेटअप के लिए महत्वपूर्ण है।

6. Reduced Maintenance – रखरखाव में कमी

एमपीसीबी की सटीक सुरक्षा और ऑटो-रीसेट फीचर की वजह से:

  • मोटर के बार-बार खराब होने की संभावना कम हो जाती है।
  • नियमित मैन्युअल जांच और फ़्यूज़ बदलने की जरूरत घटती है।
  • रखरखाव और सर्विसिंग की लागत कम होती है।

7. Versatility and Adaptability – बहुउपयोगी और अनुकूलन योग्य

एमपीसीबी छोटे से लेकर बड़े उद्योगों तक हर प्रकार की मोटर के लिए उपयुक्त है।

  • अलग-अलग वोल्टेज और करंट रेटिंग के लिए सेट किया जा सकता है।
  • कॉम्पैक्ट, मॉड्यूलर और आसानी से पैनल में इंस्टॉल होने वाला उपकरण।
  • विभिन्न मोटरों और लोडिंग परिस्थितियों के अनुसार इसे आसानी से कस्टमाइज किया जा सकता है।

एमपीसीबी केवल एक सर्किट ब्रेकर नहीं, बल्कि मोटर के लिए पूरा सुरक्षा कवच है। यह मोटर की आयु बढ़ाता है, अनावश्यक डाउनटाइम कम करता है, रखरखाव आसान बनाता है और ऑपरेटर और सिस्टम दोनों की सुरक्षा सुनिश्चित करता है।

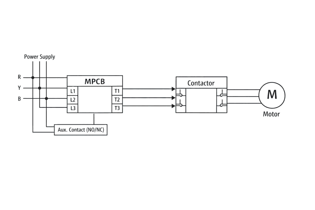
एमपीसीबी की वायरिंग आरेख (MPCB Wiring Diagram – विवरण सहित)

एमपीसीबी की वायरिंग आमतौर पर तीन-फेज मोटर के साथ की जाती है ताकि मोटर को ओवरलोड, शॉर्ट सर्किट और फेज फेल जैसी समस्याओं से पूरी सुरक्षा मिल सके। एमपीसीबी को हमेशा कॉन्टैक्टर और मोटर के बीच लगाया जाता है, जिससे मोटर तक पहुँचने वाली सप्लाई पहले एमपीसीबी द्वारा नियंत्रित हो सके।

एमपीसीबी की वायरिंग आरेख
एमपीसीबी की वायरिंग आरेख

एमपीसीबी की सामान्य वायरिंग व्यवस्था इस प्रकार होती है:

विद्युत आपूर्ति → एमपीसीबी → कॉन्टैक्टर → मोटर।

इस क्रम से यह सुनिश्चित होता है कि किसी भी प्रकार की खराबी होने पर मोटर को तुरंत सप्लाई से अलग किया जा सके।

तीन-फेज सप्लाई की R, Y और B लाइनों को एमपीसीबी के इनपुट टर्मिनल L1, L2 और L3 से जोड़ा जाता है। इसके बाद एमपीसीबी के आउटपुट टर्मिनल T1, T2 और T3 को कॉन्टैक्टर के इनपुट से जोड़ा जाता है। कॉन्टैक्टर के आउटपुट सीधे मोटर के टर्मिनलों से जुड़े होते हैं।

एमपीसीबी के Auxiliary Contacts (NO/NC) को कंट्रोल सर्किट में जोड़ा जा सकता है, जिससे ट्रिप होने की स्थिति में अलार्म या इंडिकेशन मिल सके। वायरिंग के बाद एमपीसीबी की करंट सेटिंग मोटर की रेटेड धारा के अनुसार की जाती है, ताकि गलत ट्रिपिंग न हो और मोटर सुरक्षित रहे।

वायरिंग करते समय हमेशा सप्लाई बंद रखें, सही साइज की केबल का उपयोग करें और उचित अर्थिंग जरूर करें। सही वायरिंग से एमपीसीबी मोटर को विश्वसनीय सुरक्षा प्रदान करता है और उसके जीवनकाल को बढ़ाता है।

एमपीसीबी रेटिंग तालिका (Motor Protection Circuit Breaker Rating Chart)

एमपीसीबी का चयन हमेशा मोटर की रेटेड धारा (Full Load Current) के अनुसार किया जाता है। नीचे दी गई तालिका सामान्य तीन-फेज इंडक्शन मोटर के लिए उपयोगी है। एमपीसीबी रेटिंग तालिका (किलोवाट के अनुसार)

मोटर क्षमता (किलोवाट)मोटर धारा (एम्पियर)अनुशंसित एमपीसीबी
0.37 kW1 – 1.2 A1 – 1.6 A
0.75 kW1.8 – 2.2 A2 – 3.2 A
1.5 kW3.2 – 3.8 A4 – 6.3 A
2.2 kW4.5 – 5.2 A4 – 6.3 A
3.7 kW7 – 8 A6 – 10 A
5.5 kW10 – 12 A9 – 14 A
7.5 kW14 – 16 A17 – 23 A
11 kW20 – 22 A21 – 25 A

अक्सर पूछे जाने वाले प्रश्न (Frequently Asked Questions)

1. एमपीसीबी का उपयोग क्यों किया जाता है?

एमपीसीबी (Motor Protection Circuit Breaker) का उपयोग इलेक्ट्रिक मोटर को अधिक धारा, ओवरलोड, शॉर्ट सर्किट, फेज फेल और फेज असंतुलन जैसी खतरनाक स्थितियों से सुरक्षित रखने के लिए किया जाता है। यह मोटर में बहने वाली धारा की लगातार निगरानी करता है और किसी भी असामान्य स्थिति में तुरंत सप्लाई काट देता है, जिससे मोटर की वाइंडिंग जलने और स्थायी नुकसान से बच जाती है। इसके साथ ही एमपीसीबी गलत ट्रिपिंग को कम करता है, मोटर के स्टार्टिंग करंट को सहन करता है, रखरखाव लागत घटाता है और मोटर की कार्यक्षमता व आयु दोनों को बढ़ाने में मदद करता है, इसलिए मोटर सुरक्षा के लिए इसका उपयोग अत्यंत आवश्यक माना जाता है।

2. क्या एमपीसीबी सिंगल फेज मोटर के लिए उपयोग किया जा सकता है?

सामान्य तौर पर एमपीसीबी (Motor Protection Circuit Breaker) का उपयोग तीन-फेज मोटरों की सुरक्षा के लिए किया जाता है, क्योंकि इसमें फेज फेल और फेज असंतुलन जैसी महत्वपूर्ण सुरक्षा सुविधाएँ मौजूद होती हैं, जो मोटर को गंभीर नुकसान से बचाती हैं। हालांकि, आज बाजार में कुछ विशेष रूप से डिज़ाइन किए गए एमपीसीबी मॉडल भी उपलब्ध हैं, जिन्हें सिंगल फेज मोटरों के लिए इस्तेमाल किया जा सकता है। ऐसे एमपीसीबी ओवरलोड और शॉर्ट सर्किट से प्रभावी सुरक्षा प्रदान करते हैं, जिससे सिंगल फेज मोटर सुरक्षित और लंबे समय तक सही ढंग से काम कर पाती है। इसलिए, यदि सिंगल फेज मोटर के लिए एमपीसीबी का उपयोग किया जा रहा हो, तो मोटर की रेटिंग और आवश्यकता के अनुसार सही मॉडल का चयन करना बेहद जरूरी होता है।

3. क्या एमपीसीबी के साथ कॉन्टैक्टर आवश्यक है?

हाँ, बड़े मोटर लोड और स्वचालित नियंत्रण की आवश्यकता होने पर एमपीसीबी के साथ कॉन्टैक्टर का उपयोग किया जाता है। एमपीसीबी मुख्य रूप से मोटर को ओवरलोड, शॉर्ट सर्किट और अन्य फॉल्ट से सुरक्षा प्रदान करता है, जबकि कॉन्टैक्टर मोटर को बार-बार चालू और बंद करने तथा रिमोट या ऑटोमैटिक कंट्रोल के लिए इस्तेमाल होता है। दोनों को एक साथ उपयोग करने से मोटर की सुरक्षा भी सुनिश्चित होती है और संचालन भी सुरक्षित, आसान और विश्वसनीय बनता है, खासकर औद्योगिक अनुप्रयोगों में।

4. क्या एमपीसीबी में ऑटो रीसेट सुविधा होती है?

कुछ आधुनिक एमपीसीबी मॉडल में ऑटो रीसेट की सुविधा होती है, जबकि कई मॉडल मैन्युअल रीसेट पर काम करते हैं। चयन मोटर के उपयोग और सुरक्षा आवश्यकता पर निर्भर करता है।


धन्यवाद! हमें उम्मीद है कि यह पोस्ट ”MPCB कैसे काम करता है” आपके लिए जानकारीपूर्ण और मददगार रही होगी। अगर आपके कोई विचार, अनुभव या सवाल हैं, तो उन्हें नीचे कमेंट में शेयर करना न भूलें।

Comments

No comments yet. Why don’t you start the discussion?

    प्रातिक्रिया दे

    आपका ईमेल पता प्रकाशित नहीं किया जाएगा. आवश्यक फ़ील्ड चिह्नित हैं *