Power Factor Improvement के लिए Capacitor Sizing

आज के समय में औद्योगिक (Industrial), वाणिज्यिक (Commercial) और यहां तक कि घरेलू विद्युत प्रणालियों (Electrical Systems) में Power Factor (PF) एक अत्यंत महत्वपूर्ण तकनीकी एवं आर्थिक पैरामीटर बन चुका है। कम Power Factor के कारण न केवल बिजली की वास्तविक उपयोगी क्षमता घटती है, बल्कि अनावश्यक रिएक्टिव पावर फ्लो होने से अधिक करंट, लाइन लॉस, उपकरणों पर अतिरिक्त लोड, वोल्टेज ड्रॉप और अंततः अधिक बिजली बिल तथा पेनाल्टी (Power Factor Penalty) जैसी समस्याएं भी उत्पन्न होती हैं। विशेष रूप से इंडस्ट्रीज़ में यह समस्या प्रत्यक्ष रूप से परिचालन लागत (Operating Cost) को बढ़ा देती है।

इन सभी समस्याओं का सबसे प्रभावी और व्यवहारिक समाधान है Capacitor का उपयोग करके Power Factor Improvement करना। Capacitor रिएक्टिव पावर की आवश्यकता को स्थानीय स्तर पर पूरा करके सप्लाई सिस्टम पर भार कम करता है और सिस्टम को अधिक कुशल (Efficient) बनाता है। हालांकि, केवल Capacitor इंस्टॉल कर देना ही पर्याप्त नहीं होता। यदि Capacitor का चयन गलत क्षमता (kVAR) में किया गया हो, तो इससे ओवर-कंपेन्सेशन, अंडर-कंपेन्सेशन, हार्मोनिक्स की समस्या और उपकरणों की लाइफ पर नकारात्मक प्रभाव भी पड़ सकता है। इसलिए Power Factor Improvement के लिए Capacitor Sizing का सही और वैज्ञानिक तरीका अपनाना अत्यंत आवश्यक है।

इस लेख में हम विस्तार से समझेंगे कि Power Factor वास्तव में क्या है, Capacitor Power Factor को कैसे सुधारता है, और Power Factor Improvement के लिए Capacitor Sizing किस प्रकार की जानी चाहिए ताकि सिस्टम सुरक्षित, विश्वसनीय और ऊर्जा-कुशल बन सके। साथ ही, यह भी स्पष्ट किया जाएगा कि सही Capacitor Sizing से किस प्रकार बिजली बिल में बचत, लाइन लॉस में कमी और विद्युत प्रणाली के समग्र प्रदर्शन में सुधार संभव है।

Power Factor (PF) क्या है?

Power Factor (PF) यह दर्शाता है कि सप्लाई से ली गई कुल विद्युत शक्ति में से कितनी शक्ति वास्तव में उपयोगी कार्य (जैसे मोटर घुमाना, लाइट जलाना, मशीन चलाना) में उपयोग हो रही है। सरल शब्दों में, यह विद्युत प्रणाली की दक्षता (Efficiency) का संकेतक है।

low Power Factor Improvement के लिए Capacitor Sizing
Power Factor (PF) क्या है

यदि सप्लाई से ली गई अधिकांश शक्ति उपयोगी कार्य में लग रही है, तो Power Factor अच्छा माना जाता है। वहीं यदि बड़ी मात्रा में शक्ति बिना कोई उपयोगी कार्य किए केवल सिस्टम में घूम रही हो, तो Power Factor कम हो जाता है।

Power Factor को समझना – आसान उदाहरण से

मान लीजिए किसी मशीन को वास्तविक काम करने के लिए 80 kW शक्ति की आवश्यकता है, लेकिन सप्लाई से वह 100 kVA ले रही है। इसका अर्थ है कि पूरी ली गई शक्ति का उपयोग नहीं हो रहा।

Power Factor = उपयोगी शक्ति ÷ ली गई कुल शक्ति

Power Factor का गणितीय सूत्र (Formula)

Active Power (kW) = वह शक्ति जो वास्तव में उपयोगी कार्य करती है।

Apparent Power (kVA) = सप्लाई से ली गई कुल शक्ति, जिसकी गणना की जाती है।

Apparent Power (kVA) सूत्र

Single Phase System के लिए:

Three Phase System के लिए:

Ideal Power Factor क्या होता है?

  • Ideal Power Factor = 1 (या 100%)

इसका अर्थ है कि सप्लाई से ली गई पूरी शक्ति उपयोगी कार्य में लग रही है और कोई भी शक्ति व्यर्थ नहीं जा रही।

लेकिन वास्तविक परिस्थितियों में, विशेष रूप से इंडस्ट्रियल लोड (जैसे मोटर, ट्रांसफॉर्मर, वेल्डिंग मशीन) के कारण यह संभव नहीं होता।

इंडस्ट्री में Power Factor कितना होता है?

सामान्यतः इंडस्ट्री में Power Factor 0.7 से 0.85 के बीच पाया जाता है।

कम Power Factor का मतलब है:

  • अधिक करंट फ्लो
  • अधिक लाइन लॉस
  • केबल और ट्रांसफॉर्मर पर अतिरिक्त लोड
  • अधिक बिजली बिल और पेनाल्टी

इसी कारण Power Factor Improvement के लिए Capacitor Sizing अत्यंत आवश्यक हो जाती है, ताकि Apparent Power को कम करके अधिकतम Active Power का उपयोग किया जा सके और सिस्टम को अधिक कुशल बनाया जा सके।

और पढ़ें: मोटर एन्कोडर (Motor Encoder) क्या होता है?

Power Factor खराब क्यों होता है?

Power Factor खराब होने का मूल कारण विद्युत प्रणाली में Active Power (kW) और Reactive Power (kVAR) के बीच संतुलन का बिगड़ना है। जब किसी सिस्टम को उपयोगी कार्य करने के साथ-साथ अतिरिक्त Reactive Power भी सप्लाई से लेनी पड़ती है, तो करंट बढ़ जाता है और वोल्टेज तथा करंट के बीच फेज अंतर (Phase Difference) उत्पन्न हो जाता है। यही फेज अंतर Power Factor को कम करता है और सिस्टम की समग्र दक्षता को प्रभावित करता है।

प्रेरणिक भार (Inductive Loads) का प्रभाव

कम Power Factor का सबसे प्रमुख कारण प्रेरणिक भार होते हैं, जैसे मोटर, ट्रांसफार्मर, वेल्डिंग मशीन, फ्लोरोसेंट लैंप और लिफ्ट या कंप्रेसर जैसे उपकरण। इन सभी उपकरणों को कार्य करने के लिए चुंबकीय क्षेत्र बनाना पड़ता है, जिसके लिए Reactive Power की आवश्यकता होती है। इसके परिणामस्वरूप करंट, वोल्टेज से पीछे रह जाता है और Lagging Power Factor उत्पन्न होता है। जैसे-जैसे प्रेरणिक लोड बढ़ता है, Reactive Power की मांग बढ़ती जाती है और Power Factor और अधिक खराब होता चला जाता है।

कम लोड पर चलने वाली मशीनें

जब मोटर या अन्य इंडक्टिव उपकरण अपनी रेटेड क्षमता से कम लोड पर चलाए जाते हैं, तब Active Power की खपत कम हो जाती है लेकिन Reactive Power लगभग उतनी ही बनी रहती है। इस स्थिति में Apparent Power बढ़ जाती है और kW तथा kVA का अनुपात घट जाता है, जिससे Power Factor में गिरावट आती है। यही कारण है कि under-loaded motors electrical system की efficiency को गंभीर रूप से प्रभावित करती हैं।

Inductive और Capacitive Load का असंतुलन

Power Factor खराब होने का एक अन्य महत्वपूर्ण कारण सिस्टम में प्रेरणिक और धारिता (Capacitive) भार का असंतुलन है। यदि सिस्टम में Inductive Load अधिक हो, तो करंट वोल्टेज से lag करता है और यदि अत्यधिक Capacitor लगा दिए जाएँ, तो करंट वोल्टेज से lead करने लगता है। दोनों ही स्थितियों में वोल्टेज और करंट के बीच फेज अंतर बढ़ता है, जिससे सिस्टम को अनावश्यक Reactive Power संभालनी पड़ती है और Power Factor बिगड़ जाता है।

Harmonics का प्रभाव

आधुनिक विद्युत प्रणालियों में नॉन-लीनियर लोड जैसे VFD, LED लाइट्स, Soft Starters कंप्यूटर और वेल्डिंग उपकरण का उपयोग बढ़ गया है। ये उपकरण करंट वेवफॉर्म को विकृत कर देते हैं और हार्मोनिक करंट उत्पन्न करते हैं। Harmonics के कारण effective current बढ़ता है, Apparent Power बढ़ जाती है और भले ही Active Power वही रहे, Power Factor घट जाता है। इस स्थिति में सिस्टम की capacity और efficiency दोनों प्रभावित होती हैं।

लंबी ट्रांसमिशन और डिस्ट्रीब्यूशन लाइन्स का प्रभाव

लंबी विद्युत लाइनों में प्राकृतिक रूप से इंडक्टेंस और कैपेसिटेंस मौजूद होती है। यह गुण वोल्टेज और करंट के बीच फेज अंतर उत्पन्न करता है, विशेष रूप से भारी या हल्के लोड की स्थितियों में। परिणामस्वरूप Reactive Power का प्रवाह बढ़ता है और Power Factor कम हो सकता है, जिससे लाइन लॉस और वोल्टेज ड्रॉप जैसी समस्याएँ पैदा होती हैं।

वैज्ञानिक दृष्टिकोण से Power Factor में गिरावट

AC Power System में Power Factor को वोल्टेज और करंट के बीच बने फेज कोण (ϕ) के cosine के रूप में परिभाषित किया जाता है। जब यह फेज कोण बढ़ता है—चाहे प्रेरणिक या धारिता प्रभाव के कारण या फिर हार्मोनिक distortion की वजह से—तो cosϕ का मान घट जाता है और Power Factor खराब हो जाता है। इसका सीधा प्रभाव सिस्टम की efficiency, उपलब्ध क्षमता और ऊर्जा लागत पर पड़ता है।

और पढ़ें: स्मार्ट लाइटिंग सिस्टम (Smart Lighting System) क्या है?

Capacitor Reactive Power कैसे प्रदान करता है?

Capacitor, जिसे हिंदी में संधारित्र कहा जाता है, एक ऐसा विद्युत उपकरण है जो विद्युत ऊर्जा को अस्थायी रूप से संग्रहित करने और आवश्यकता पड़ने पर तुरंत वापस देने की क्षमता रखता है। इंडक्टिव लोड जैसे मोटर, ट्रांसफार्मर और चोक को चुंबकीय क्षेत्र बनाने के लिए Reactive Power (kVAR) की आवश्यकता होती है। यह Reactive Power सप्लाई सिस्टम से ली जाती है, जिसके कारण करंट बढ़ता है और करंट, वोल्टेज से पीछे (Lag) हो जाता है। इसके विपरीत, Capacitor का स्वभाव ऐसा होता है कि यह Leading Reactive Power उत्पन्न करता है। यानी Capacitor Reactive Power को खपत नहीं करता, बल्कि सिस्टम को प्रदान करता है।

Power Factor Improvement के लिए Capacitor Sizing
Capacitor Reactive Power कैसे प्रदान करता है

Capacitor Power Factor कैसे सुधारता है?

जब Capacitor को इंडक्टिव लोड के समानांतर जोड़ा जाता है, तो यह इंडक्टिव लोड द्वारा ली जा रही Lagging Reactive Power की भरपाई करता है। परिणामस्वरूप, Reactive Power की कुल मांग सप्लाई ग्रिड से कम हो जाती है। जैसे ही ग्रिड से ली जाने वाली Reactive Power घटती है, लाइन करंट कम हो जाता है और वोल्टेज तथा करंट के बीच का फेज अंतर घटने लगता है। यही फेज अंतर कम होने की प्रक्रिया Power Factor को बेहतर बनाती है।

सिस्टम पर इसका प्रभाव

Capacitor के जुड़ने से सिस्टम में Apparent Power (kVA) घटती है जबकि Active Power (kW) लगभग समान रहती है। इसका सीधा अर्थ है कि kW और kVA का अनुपात बढ़ता है, जिससे Power Factor 1 के अधिक करीब पहुँच जाता है। कम करंट के कारण लाइन लॉस घटते हैं, उपकरणों पर विद्युत तनाव कम होता है और ऊर्जा का अधिक कुशल उपयोग संभव हो पाता है।

Capacitor Sizing क्या है?

Capacitor Sizing का मतलब है यह तय करना कि किसी विद्युत प्रणाली में Power Factor सुधारने के लिए कितने kVAR का Capacitor लगाना चाहिए। सरल शब्दों में, यह तय करना कि कितनी Reactive Power की भरपाई करनी है ताकि सिस्टम का Power Factor आवश्यक स्तर तक पहुँच सके, जैसे कि 0.95 या 0.98, और बिजली बिल और लाइन लॉस दोनों कम हो जाएँ।

सिर्फ Capacitor लगाना ही पर्याप्त नहीं है; सही आकार और क्षमता (kVAR) का चयन करना अत्यंत महत्वपूर्ण है। यदि Capacitor का आकार गलत हो, तो इसके कई नकारात्मक प्रभाव हो सकते हैं:

Over Compensation

जब Capacitor की क्षमता जरूरत से अधिक हो, तो सिस्टम में Leading Power Factor बन जाता है। इसका मतलब है कि करंट वोल्टेज से आगे (Lead) हो जाता है। यह इंडक्टिव लोड और Capacitor के बीच असंतुलन पैदा कर सकता है, जिससे Voltage Fluctuation, Equipment Stress और System Resonance का खतरा बढ़ जाता है।

Under Compensation

यदि Capacitor का आकार बहुत छोटा हो, तो इंडक्टिव लोड की Reactive Power पूरी तरह से संतुलित नहीं होती। इसका परिणाम यह होता है कि Power Factor अपेक्षित स्तर तक नहीं सुधर पाता, करंट अधिक रहता है और बिजली बिल पर कोई खास फर्क नहीं पड़ता।

System Resonance का खतरा

Capacitor और सिस्टम की Inductance यदि गलत अनुपात में हों, तो LC Resonance बन सकता है। Resonance की स्थिति में छोटे हार्मोनिक करंट भी बहुत बढ़ सकते हैं, जिससे Transformers, Switchgear और लाइन पर अतिरिक्त तनाव पड़ता है और उपकरण जल्दी खराब हो सकते हैं।

Power Factor Improvement के लिए Capacitor Sizing का Formula

Capacitor Sizing का उद्देश्य यह तय करना है कि किसी सिस्टम में Power Factor सुधारने के लिए कितने kVAR का Capacitor आवश्यक है। इसे आसानी से समझने के लिए हम इसे चरणबद्ध तरीके से देख सकते हैं।

Step 1: Existing और Required Power Factor जानें

सबसे पहले यह जानना जरूरी है कि आपकी प्रणाली का वर्तमान Power Factor (Existing PF) क्या है और आप उसे किस स्तर तक सुधारना चाहते हैं (Required PF)। उदाहरण के लिए, Existing PF = 0.8 और Required PF = 0.95।

Power Factor को angle (ϕ) में बदलने के लिए formula है:

  • ϕ₁ = Existing PF का angle
  • ϕ₂ = Required PF का angle

Step 2: Load (kW) ज्ञात करें

आपके सिस्टम या लोड की वास्तविक शक्ति (Active Power) कितनी है, यह जानना जरूरी है। इसे P (kW) में मापा जाता है।

Step 3: Capacitor Rating (kVAR) की गणना

Power Factor सुधारने के लिए आवश्यक Capacitor की क्षमता (kVAR) का formula है:

  • Qc (kVAR) = आवश्यक Capacitor की रेटिंग
  • P (kW) = लोड की वास्तविक शक्ति
  • ϕ₁ = Existing PF का angle
  • ϕ₂ = Required PF का angle

Step 4: सरल उदाहरण (Example)

मान लीजिए: P = 100 kW

Existing PF = 0.8 → ϕ₁ = Cos⁻¹(0.8) ≈ 36.87°

Required PF = 0.95 → ϕ₂ = Cos⁻¹(0.95) ≈ 18.19°

तो: Qc = 100 × [tan 36.87° − tan 18.19°] = 100 × [0.75 − 0.328] ≈ 42.2 kVAR

Qc = 100 × [tan 36.87° − tan 18.19°] = 100 × [0.75 − 0.328] ≈ 42.2 kVAR

इसका मतलब है कि 42.2 kVAR का Capacitor लगाकर Power Factor को 0.95 तक सुधारा जा सकता है।

वैज्ञानिक दृष्टिकोण से समझें

Capacitor Sizing मूलतः Reactive Power को संतुलित करने की गणना है। Inductive लोड द्वारा खींची गई Lagging Reactive Power को Capacitor से पूरा किया जाता है। सही Capacitor Size चुनने से:

  • Grid से ली जाने वाली Reactive Power घटती है
  • करंट कम होता है
  • Power Factor 1 के करीब पहुँचता है
  • लाइन लॉस और बिजली बिल में बचत होती है

गलत Sizing करने पर Over Compensation या Under Compensation जैसी समस्याएँ हो सकती हैं, और System Resonance का खतरा भी बढ़ सकता है।

Capacitor Sizing for low power factor का आसान तरीका

इस तालिका में हमने वर्तमान PF से लक्ष्य PF तक सुधारने के लिए आवश्यक Capacitor (Qc) का अनुमान और व्यावहारिक सूत्र के साथ विवरण दिया है। यह तालिका आपको यह समझने में मदद करेगी कि विभिन्न प्रारंभिक PF पर कितना reactive power compensation आवश्यक है और किस प्रकार capacitor का चयन किया जा सकता है।

वर्तमान PF (PF₁)लक्ष्य PF (PF₂)आवश्यक Capacitor (Qc)(Qc in kVAR) व्याख्या / सूत्र
0.7 → 0.950.95Qc ≈ 0.8 × kWQc = 100 × (tan 45° − tan 18.19°) ≈ 80 kVAR
0.8 → 0.950.95≈ 0.6 × P kVARQc = 100 × (tan 36.87° − tan 18.19°) ≈ 60 kVAR
0.85 → 0.950.95≈ 0.4 × P kVARQc = 100 × (tan 31.79° − tan 18.19°) ≈ 40 kVAR

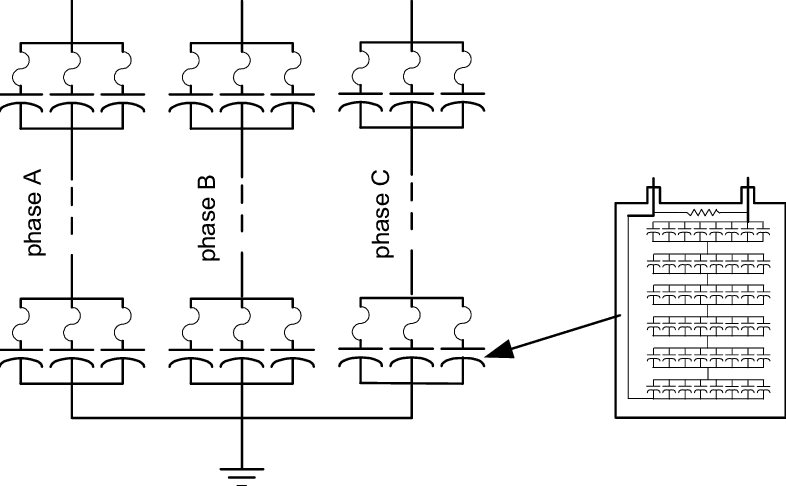
Capacitor Bank क्या है?

Capacitor Bank एक ऐसा विद्युत संयोजन होता है जिसमें एक से अधिक Capacitor को श्रृंखला (Series), समानांतर (Parallel) या दोनों के संयोजन में जोड़ा जाता है। इसका मुख्य उद्देश्य विद्युत प्रणाली में आवश्यक मात्रा में Reactive Power (kVAR) प्रदान करना होता है, ताकि Inductive Load द्वारा खींची जा रही Reactive Power की भरपाई की जा सके। सरल शब्दों में, जब एक अकेला Capacitor पर्याप्त न हो, तब कई Capacitor को मिलाकर Capacitor Bank बनाया जाता है।

Power Factor Improvement के लिए Capacitor Sizing
Capacitor Bank क्या है

वैज्ञानिक दृष्टिकोण से देखा जाए तो Capacitor Bank सिस्टम में Leading Reactive Power देता है, जिससे वोल्टेज और करंट के बीच का फेज अंतर कम होता है। इसके परिणामस्वरूप Power Factor सुधरता है, ग्रिड से ली जाने वाली Reactive Power घटती है और पूरी विद्युत प्रणाली अधिक कुशल (Efficient) बन जाती है।

Capacitor Bank का कार्य और लाभ

Capacitor Bank मोटर और ट्रांसफार्मर जैसे उपकरणों द्वारा उत्पन्न Reactive Power की क्षतिपूर्ति करता है। इससे ट्रांसफार्मर पर विद्युत तनाव कम होता है, वोल्टेज स्थिरता बेहतर होती है और बिजली लाइनों में होने वाले ऊर्जा नुकसान (Line Losses) घटते हैं। यही कारण है कि Capacitor Bank का उपयोग औद्योगिक और वाणिज्यिक विद्युत प्रणालियों में व्यापक रूप से किया जाता है।

Fixed Capacitor Bank

Fixed Capacitor Bank वह होता है जिसमें Capacitor हमेशा सिस्टम से जुड़े रहते हैं। यह मुख्यतः Constant Load वाले सिस्टम के लिए उपयोग किया जाता है, जहाँ लोड में अधिक बदलाव नहीं होता। इसकी संरचना सरल होती है, संचालन आसान होता है और लागत भी कम होती है। हालांकि, लोड बदलने की स्थिति में यह Power Factor को हमेशा आदर्श स्तर पर बनाए नहीं रख पाता।

Automatic Power Factor Correction (APFC) Panel

APFC Panel का उपयोग उन प्रणालियों में किया जाता है जहाँ लोड लगातार बदलता रहता है। इसमें Capacitor Bank को Relay और Controller के माध्यम से स्वचालित रूप से नियंत्रित किया जाता है। Controller सिस्टम के Power Factor को लगातार मॉनिटर करता है और आवश्यकता के अनुसार Capacitor को जोड़ता या हटाता है। इसी कारण APFC Panel आज के समय में इंडस्ट्री में सबसे अधिक उपयोग किया जाने वाला समाधान है, क्योंकि यह Power Factor को स्थिर और सुरक्षित सीमा में बनाए रखता है।

Power Factor Capacitor Selection में किन बातों का ध्यान रखें

Capacitor Selection केवल kVAR तय करने तक सीमित नहीं होती, बल्कि यह सुनिश्चित करना भी जरूरी होता है कि चुना गया Capacitor सिस्टम की वास्तविक विद्युत परिस्थितियों के अनुरूप हो। सही चयन न होने पर Capacitor की लाइफ कम हो सकती है और सिस्टम में अस्थिरता आ सकती है। इसलिए Capacitor चुनते समय निम्न तकनीकी बिंदुओं को समझना आवश्यक है।

Voltage Rating का चयन

Capacitor की Voltage Rating हमेशा सिस्टम वोल्टेज के अनुसार या उससे थोड़ी अधिक होनी चाहिए, जैसे 440V, 480V या 525V। व्यावहारिक रूप से इंडस्ट्रियल सिस्टम में वोल्टेज फ्लक्चुएशन सामान्य बात है। यदि Capacitor की रेटिंग कम होगी, तो ओवर-वोल्टेज के कारण उसमें ओवरहीटिंग, इंसुलेशन फेल्योर या ब्लास्ट तक हो सकता है। इसलिए उच्च वोल्टेज रेटिंग वाला Capacitor अधिक सुरक्षित और टिकाऊ माना जाता है।

Frequency (50 Hz / 60 Hz)

Capacitor का डिजाइन सप्लाई की Frequency पर निर्भर करता है। भारत और कई अन्य देशों में 50 Hz सिस्टम होता है, जबकि कुछ देशों में 60 Hz उपयोग होता है। गलत Frequency रेटिंग वाला Capacitor करंट को सही तरीके से हैंडल नहीं कर पाता, जिससे उसकी kVAR क्षमता बदल सकती है और नुकसान का खतरा बढ़ जाता है।

Ambient Temperature का प्रभाव

Capacitor की कार्यक्षमता और जीवनकाल पर Ambient Temperature का सीधा प्रभाव पड़ता है। उच्च तापमान पर Capacitor के अंदर का डाइइलेक्ट्रिक तेजी से खराब होता है। इसलिए चयन करते समय यह देखना जरूरी है कि Capacitor उस वातावरण के लिए उपयुक्त हो जहाँ वह लगाया जाना है, विशेष रूप से पैनल या फैक्ट्री एरिया में जहाँ तापमान अधिक रहता है।

Harmonics की उपस्थिति

यदि सिस्टम में Harmonics मौजूद हैं, जैसे VFD, UPS या वेल्डिंग मशीन के कारण, तो Capacitor पर अतिरिक्त करंट का दबाव पड़ता है। Harmonics Capacitor को ओवरलोड कर सकते हैं और उसकी लाइफ को काफी कम कर देते हैं। ऐसे सिस्टम में सामान्य Capacitor का चयन जोखिम भरा हो सकता है।

Detuned Reactor का उपयोग

Harmonics वाले सिस्टम में Capacitor के साथ Detuned Reactor का उपयोग किया जाता है। Detuned Reactor Capacitor को Harmonic Frequency से बचाता है और Resonance की संभावना को कम करता है। इससे Capacitor सुरक्षित रूप से Reactive Power प्रदान कर पाता है और सिस्टम की विश्वसनीयता बनी रहती है।

Capacitor Duty Type (Heavy / Normal)

Capacitor का Duty Type यह दर्शाता है कि वह किस प्रकार के लोड और ऑपरेटिंग कंडीशन के लिए बना है। Normal Duty Capacitor स्थिर और कम तनाव वाले सिस्टम के लिए उपयुक्त होता है, जबकि Heavy Duty Capacitor उच्च तापमान, वोल्टेज फ्लक्चुएशन और Harmonics वाले कठोर इंडस्ट्रियल वातावरण के लिए डिजाइन किया जाता है। सही Duty Type का चयन लंबे समय तक सुरक्षित संचालन के लिए आवश्यक है।

Harmonics वाले सिस्टम में Capacitor का चयन

आधुनिक विद्युत प्रणालियों में जब VFD, UPS, Inverter और SMPS आधारित लोड उपयोग में होते हैं, तो ये लोड करंट को सीधी और स्मूद साइन वेव में नहीं लेते। इसके बजाय ये करंट को टुकड़ों में (Non-linear तरीके से) खींचते हैं, जिससे सप्लाई करंट में अतिरिक्त फ़्रीक्वेंसी कंपोनेंट्स उत्पन्न हो जाते हैं। इन्हीं अतिरिक्त फ़्रीक्वेंसी को Harmonics कहा जाता है।

वैज्ञानिक रूप से, Harmonics मूल 50 Hz या 60 Hz वेव के गुणज (multiples) होते हैं, जैसे 5th, 7th, 11th harmonic आदि। ये हार्मोनिक करंट सिस्टम में बहते हुए Capacitor पर असामान्य करंट और वोल्टेज स्ट्रेस पैदा करते हैं।

Harmonics की उपस्थिति में Capacitor पर प्रभाव

Capacitor का इम्पीडेंस फ़्रीक्वेंसी बढ़ने के साथ कम होता जाता है। इसका अर्थ यह है कि Harmonics की उच्च फ़्रीक्वेंसी Capacitor को और अधिक करंट खींचने के लिए मजबूर करती है। परिणामस्वरूप Capacitor में ओवर-करंट, ओवर-हीटिंग और डाइइलेक्ट्रिक फेल्योर जैसी समस्याएँ उत्पन्न हो सकती हैं। कई मामलों में Capacitor का अचानक फेल होना या फटना भी इसी कारण होता है।

इसके अतिरिक्त, सिस्टम की Inductance और Capacitor की Capacitance मिलकर Resonance Condition बना सकती है। Resonance होने पर Harmonic करंट बहुत तेजी से बढ़ जाता है, जिससे Capacitor और अन्य उपकरणों को गंभीर नुकसान पहुँच सकता है।

Detuned Capacitor Bank की आवश्यकता

इन्हीं जोखिमों से बचने के लिए Harmonics वाले सिस्टम में Detuned Capacitor Bank का उपयोग अनिवार्य हो जाता है। Detuned Capacitor Bank में Capacitor के साथ एक विशेष रूप से डिज़ाइन किया गया Detuned Reactor लगाया जाता है। यह Reactor सिस्टम की Resonant Frequency को Harmonic Frequency से नीचे शिफ्ट कर देता है, जिससे Harmonics Capacitor तक पहुँचने से पहले ही सीमित हो जाती हैं।

इस व्यवस्था के कारण Capacitor केवल मूल फ़्रीक्वेंसी पर Reactive Power प्रदान करता है, जबकि Harmonic करंट उससे होकर नहीं बह पाता। इससे Capacitor सुरक्षित रहता है और उसकी कार्य-आयु भी बढ़ती है।

Power Factor Correction में गलतियाँ जो सिस्टम को नुकसान पहुँचा सकती हैं

Power Factor सुधार के दौरान की गई छोटी-सी गलती भी पूरे विद्युत सिस्टम पर नकारात्मक प्रभाव डाल सकती है। नीचे दी गई सामान्य गलतियाँ अक्सर देखी जाती हैं, जिन्हें समझना और टालना अत्यंत आवश्यक है।

गलत kVAR का चयन

सबसे आम गलती है गलत kVAR क्षमता वाले Capacitor का चयन। यदि Capacitor का kVAR कम चुना गया, तो Reactive Power की भरपाई पूरी नहीं हो पाती और Power Factor अपेक्षित स्तर तक नहीं सुधरता। वहीं, यदि kVAR जरूरत से अधिक चुना गया, तो सिस्टम में Leading Power Factor बन सकता है। दोनों ही स्थितियों में करंट, लॉस और उपकरणों पर तनाव बढ़ जाता है। वैज्ञानिक रूप से यह kW और kVAR के असंतुलन का परिणाम होता है।

Harmonics को Ignore करना

VFD, UPS, Inverter और SMPS जैसे Non-linear Loads वाले सिस्टम में Harmonics का होना सामान्य है। यदि Capacitor चयन या इंस्टॉलेशन के समय Harmonics को नजरअंदाज किया जाए, तो Capacitor पर अत्यधिक Harmonic Current बहने लगता है। इससे ओवर-हीटिंग, इंसुलेशन डैमेज और समय से पहले Capacitor Failure का खतरा बढ़ जाता है।

Fixed Capacitor का गलत स्थान पर उपयोग

Fixed Capacitor को ऐसे सिस्टम में लगा देना जहाँ लोड बार-बार बदलता रहता है, एक गंभीर गलती है। लोड घटने पर यही Capacitor Over Compensation पैदा कर सकता है। इससे वोल्टेज अस्थिरता और उपकरणों की कार्य-क्षमता प्रभावित होती है। Fixed Capacitor का उपयोग केवल Constant Load स्थितियों में ही उपयुक्त माना जाता है।

Over Compensation की समस्या

Power Factor सुधार के चक्कर में जरूरत से ज्यादा Capacitor लगा देना Over Compensation कहलाता है। इस स्थिति में करंट वोल्टेज से आगे (Leading) हो जाता है। वैज्ञानिक दृष्टि से यह भी उतना ही हानिकारक है जितना Lagging Power Factor, क्योंकि इससे Resonance, Voltage Rise और Protective Devices के गलत ऑपरेशन का खतरा बढ़ जाता है।

Poor Quality Capacitor का उपयोग

कम गुणवत्ता वाले या non-standard Capacitor का उपयोग प्रारंभ में सस्ता लग सकता है, लेकिन लंबे समय में यह भारी नुकसान का कारण बनता है। ऐसे Capacitor उच्च तापमान, वोल्टेज फ्लक्चुएशन और Harmonics को सहन नहीं कर पाते। परिणामस्वरूप उनकी लाइफ कम हो जाती है और सिस्टम की विश्वसनीयता घट जाती है।

निष्कर्ष (Conclusion)

Power Factor Improvement के लिए Capacitor Sizing एक तकनीकी प्रक्रिया अवश्य है, लेकिन आधुनिक विद्युत प्रणालियों के लिए यह अत्यंत आवश्यक भी है। जब Capacitor का सही चयन और सही kVAR में Sizing की जाती है, तो Reactive Power प्रभावी रूप से नियंत्रित होती है, करंट कम होता है और Power Factor वांछित स्तर तक सुधरता है। इसका प्रत्यक्ष लाभ बिजली बिल में कमी, लाइन लॉस में घटावट और उपकरणों की कार्य-आयु में वृद्धि के रूप में दिखाई देता है।

सही Power Factor Improvement के लिए Capacitor Sizing अपनाने से पूरी विद्युत प्रणाली अधिक सुरक्षित, ऊर्जा-कुशल और विश्वसनीय बनती है। विशेष रूप से Industrial Electrical System, Maintenance, Energy Saving और Electrical Design से जुड़े पेशेवरों के लिए Capacitor Sizing का व्यावहारिक और तकनीकी ज्ञान अनिवार्य है, क्योंकि यही ज्ञान उन्हें बेहतर निर्णय लेने और दीर्घकालिक संचालन लागत को कम करने में सहायता करता है।


अक्सर पूछे जाने वाले प्रश्न (Frequently Asked Questions)

1. क्या Power Factor 1 से ज्यादा हो सकता है? अगर हाँ, तो Capacitor sizing कैसे करें?

नहीं, Power Factor कभी भी 1 से ज्यादा नहीं हो सकता।
Power Factor = kW ÷ kVA होता है, और क्योंकि kVA हमेशा kW से बराबर या ज्यादा होती है, इसलिए PF का अधिकतम मान 1 (Unity) ही होता है।

जो स्थिति अक्सर “PF > 1” कही जाती है, वह वास्तव में Leading Power Factor होती है। यह तब होता है जब सिस्टम में जरूरत से ज्यादा Capacitor लगा दिए जाते हैं और सिस्टम Reactive Power खपत करने के बजाय पैदा करने लगता है। इस स्थिति में करंट, वोल्टेज से आगे (Lead) करने लगता है, लेकिन PF का numerical मान फिर भी 1 से ऊपर नहीं जाता।

ऐसी स्थिति में Capacitor Sizing कैसे करें?

Power Factor Improvement के लिए Capacitor Sizing हमेशा इस तरह की जानी चाहिए कि:

Target PF को 0.95 से 0.99 (Lagging) तक रखा जाए

Over Compensation से बचा जाए

Capacitor केवल Lagging Reactive Power को compensate करे, generate न करे

2. गलत Capacitor sizing से Power Factor improve होने के बजाय खराब क्यों हो जाता है?

गलत Capacitor Sizing के कारण Power Factor सुधारने के बजाय बिगड़ सकता है।

Under Sizing: Capacitor की kVAR कम होने पर Inductive Load की Reactive Power पूरी तरह compensate नहीं होती, करंट ज्यादा रहता है और PF सुधरता नहीं।

Over Sizing: जरूरत से ज्यादा kVAR होने पर सिस्टम Leading PF में चला जाता है, Voltage और फेज संबंध अस्थिर हो जाते हैं।

Resonance & Harmonics: गलत Sizing से LC Resonance बन सकती है, Harmonic currents बढ़ जाते हैं और सिस्टम पर अतिरिक्त तनाव पड़ता है।

3. क्या हर motor के लिए अलग Capacitor लगाना बेहतर है या common Capacitor Bank?

हर Motor के लिए अलग Capacitor लगाना PF की सटीक भरपाई देता है और Over या Under Compensation की संभावना कम करता है, लेकिन इससे Installation, Maintenance और Cost बढ़ जाते हैं। दूसरी ओर, Common Capacitor Bank कई मोटरों के लिए सरल और cost-effective समाधान है, खासकर Constant Load वाली परिस्थितियों में। हालांकि, Variable Load या अलग-अलग मोटर साइज के सिस्टम में Common Bank PF को पूरी तरह संतुलित नहीं रख पाता। इसलिए प्रैक्टिकल दृष्टिकोण से, Constant Load और समान मोटरों के लिए Common Capacitor Bank पर्याप्त है, जबकि Variable Load और अलग मोटरों के लिए Sectional Capacitor Bank या APFC Panel बेहतर विकल्प होता है। सही निर्णय हमेशा Load pattern, PF target और लागत के आधार पर लिया जाना चाहिए।

4. Capacitor sizing करते समय kVA consider करें या kW? क्यों?

Capacitor Sizing में हम हमेशा kW (Active Power) को consider करते हैं, kVA नहीं। इसका कारण यह है कि Capacitor का काम केवल Reactive Power (kVAR) को compensate करना है, जो Inductive Load की Active Power (kW) और मौजूदा PF के आधार पर तय होती है।

यदि kVA को आधार बनाकर sizing करेंगे, तो PF सुधार में सही Reactive Power का निर्धारण नहीं होगा, और Capacitor या तो Over Compensation या Under Compensation कर सकता है। इसलिए हमेशा Load (kW) × PF difference के हिसाब से kVAR निकालें, ताकि Power Factor Improvement सुरक्षित और accurate हो।

5. अगर Power Factor पहले से 0.95 है तो Capacitor लगाने से क्या नुकसान हो सकता है?

यदि सिस्टम का Power Factor पहले से 0.95 है और फिर Capacitor लगाया जाता है, तो यह Over Compensation पैदा कर सकता है। इस स्थिति में सिस्टम Leading PF में चला जाता है, यानी करंट वोल्टेज से आगे (Lead) करने लगता है। परिणामस्वरूप Voltage rise होता है, Sensitive equipment पर तनाव बढ़ता है, Transformers और Generators पर अतिरिक्त लोड पड़ता है, और LC Resonance के कारण Harmonics amplify हो सकते हैं। Protective devices भी गलत operate कर सकते हैं। इसलिए, यदि PF पहले से उच्च (0.95+) है, तो extra Capacitor लगाने से लाभ नहीं बल्कि सिस्टम अस्थिर और जोखिमपूर्ण बन सकता है।


धन्यवाद! हमें उम्मीद है कि यह पोस्ट आपके लिए जानकारीपूर्ण और मददगार रही होगी। अगर आपके कोई विचार, अनुभव या सवाल हैं, तो उन्हें नीचे कमेंट में शेयर करना न भूलें।

Comments

No comments yet. Why don’t you start the discussion?

    प्रातिक्रिया दे

    आपका ईमेल पता प्रकाशित नहीं किया जाएगा. आवश्यक फ़ील्ड चिह्नित हैं *